OEM TNC csatlakozó Supplier

TNC csatlakozó

Leírás:

A TNC sorozatú RF koaxiális csatlakozókat a MIL-C-39012 amerikai katonai szabvány szerint fejlesztették és gyártják. Jellemzőik a széles sávszélesség, a megbízható kapcsolat és a jó ütésállóság. Alkalmasak csatlakozókhoz és RF kábelekhez rádióberendezések, elektronikus műszerek, különböző lézerkomponensek jelbemenetéhez és kimenetéhez.

Paraméter:

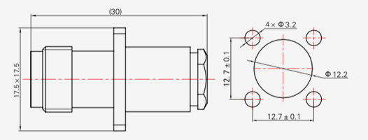
Fő műszaki adatok:
◆ Jellemző impedancia: 50Ω
◆ Frekvencia tartomány: DC-18GHz
◆ Szigetelési ellenállás: ≥5000MΩ
◆ Dielektromos ellenállási feszültség: 1500 V (rms)
◆ Feszültség állóhullám-arány (VSWR): ≤1,30
◆ Párosítási ciklusok: 500-szor

Érdeklődni

Homályos
hadnagy
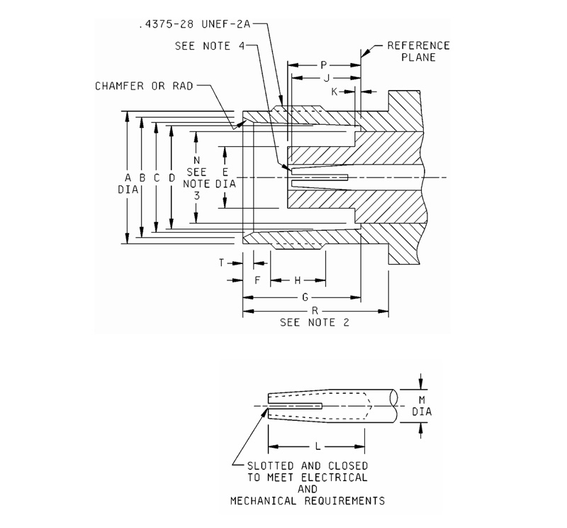
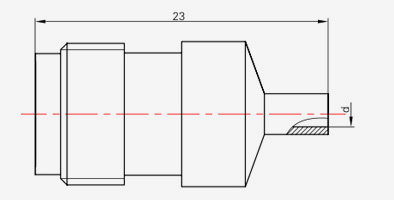
Milliméter (hüvelyk)
Minimális Maximális
A 0,378 (9,60) 0,381 (9,68)
B 0,346 (8,79) .356 (9.04)
C .327 (8.31) .333 (8.46)
D .319 (8.10) .321 (8.15)
E ------- .186 (4,72)
F 0,068 (1,73) 0,088 (2,24)
G .327 (8.31) 0,335 (8,51)
H 0,187 (4,75) -------
J .186 (4,72) .206 (5.23)
K ------- 0,006 (0,15)
L 0,195 (4,95) -------
M .081 (2.06) 0,087 (2,21)
N ------- 0,256 (6,50)
P 0,188 (4,78) .208 (5.28)
R .414 (10.52) -------
T 0,015 (0,38) 0,030 (0,76)

Megjegyzések:
1. Ennek az interfésznek meg kell felelnie a szelvényre vonatkozó követelményeknek, amint azt a
MIL-PRF-39012/28.
2. Hézag a csatlakozó csatlakozó tengelykapcsoló anyjához.
3. A méret a dielektrikum adott részére vonatkozik (ha van).
amely túlnyúlik a fémen
váll (vagy referenciasík) a K méret szerint.
4. A VSwR-nek megfelelő azonosító, ha 0,052 hüvelykes (1,32 mm)/0,054 (1,37 mm) átmérőjű csappal van párosítva.

Homályos
hadnagy
Milliméter (hüvelyk)
Minimális Maximális
A .440 (11.18) -------
B Mérő teszt
C 0,190 (4,83) -------
D 0,052 (1,32) 0,054 (1,37)
E .210 (5.33) 0,230 (5,84)
F 0,006 (0,15) -------
G .208 (5.28) 0,228 (5,79)
H 0,003 (0,08) 0,040 (1,02)
K 0,078 (1,98) -------
M ------- 0,078 (1,98)
N 0,063 (1,60) -------
P 0,156 (3,96) -------
R ------- 0,025 (0,64)
T ------- .322 (8.18)

Megjegyzések:
1. Ennek az interfésznek meg kell felelnie a szelvényre vonatkozó követelményeknek, amint azt a MIL-PRF-39012/26.

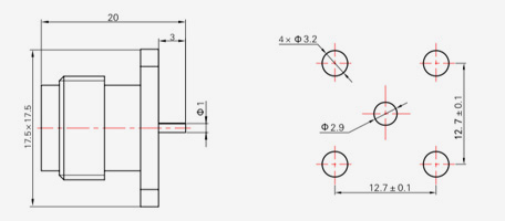
TNC SERIES
  • TNC-KF3A
    TNC-KF3A
    Modell Kábel típusa
    TNC-KF3A SYV-50-2-1,RG316
    TNC-KF5A SYV-50-3,RG142,SFCJ-50-3-51
  • TNC-KF3A-1
    TNC-KF3A-1
    Modell Kábel típusa
    TNC-KF3A-1 SYV-50-2-1,RG316
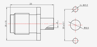
  • TNC-JB2
    TNC-JB2
    Modell Kábel típusa d
    TNC-JB2 SFT-50-2,670-086 Φ2.2
    TNC-JB3 SFT-50-3,670-141 Φ3,6
  • TNC-JWB2
    TNC-JWB2
    Modell Kábel típusa d
    TNC-JWB2 SFT-50-2,670-086 Φ2.2
    TNC-JWB3 SFT-50-3,670-141 Φ3,6
  • TNC-KB2
    TNC-KB2
    Modell Kábel típusa d
    TNC-KB2 SFT-50-2,670-086 Φ2.2
    TNC-KB3 SFT-50-3,670-141 Φ3,6
  • TNC-KFB2
    TNC-KFB2
    Modell Kábel típusa d
    TNC-KFB2 SFT-50-2,670-086 Φ2.2
    TNC-KFB3 SFT-50-3,670-141 Φ3,6
  • TNC-KFB2-1
    TNC-KFB2-1
    Modell Kábel típusa d
    TNC-KFB2-1 SFT-50-2,670-086 Φ2.2
    TNC-KFB3-1 SFT-50-3,670-141 Φ3,6
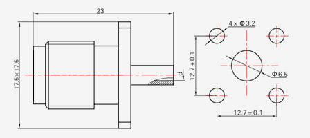
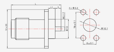
  • TNC-KFD2
    TNC-KFD2
    Modell L L1
    KFD2 27 3.5
    KFD3 22 2
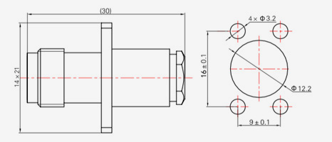
  • TNC-J3A
    TNC-J3A
    Modell Kábel típusa
    TNC-J3A SYV-50-2-1,RG316
    TNC-J5A SYV-50-3-4,RG142, SFCJ-50-3-51
    TNC-J5AC
  • TNC-J4
    TNC-J4
    Modell Kábel típusa L
    TNC-J4 SYV-50-2-2 31
    TNC-J5 SYV-50-3-4, SFCJ-50-3-51,RG316 31
    TNC-(K)5
    TNC-J5C
    TNC-J7 SYV-50-5-1, SFCJ-50-5-51 36
    TNC-J7C
    TNC-J10 SYV-50-7-1,SYV-50-7-2, SFCJ-50-7-51 36
    TNC-J10C
  • TNC-JW5
    TNC-JW5
    Modell Kábel típusa
    TNC-JW5 SYV-50-3-4,SFCJ-50-3-51,RG142
    TNC-JW7 SYV-50-5-1,SFCJ-50-5-51
    TNC-JW10 SYV-50-7-2,SFCJ-50-7-51
  • TNC-JW5-1
    TNC-JW5-1
    Modell Kábel típusa
    TNC-JW5-1 SYV-50-3-4,SFCJ-50-3-51,RG142
  • TNC-K5
    TNC-K5
    Modell Kábel típusa L
    TNC-K5 SYV-50-3-4, SFCJ-50-3-51,RG142 31
    TNC-(J)5
    TNC-K7 SYV-50-5-1, SFCJ-50-5-51 33
    TNC-K10 SYV-50-7-1, SYV-50-7-2, SFCJ-50-7-51 33
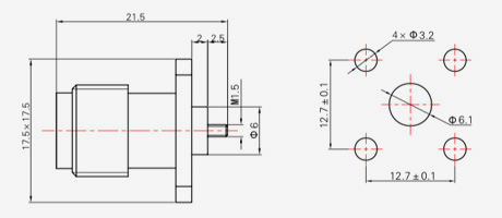
  • TNC-KFD1
    TNC-KFD1
  • TNC-KFD4
    TNC-KFD4

TARTSA KAPCSOLATOT

[#bemenet#]
BEADÁS
Rólunk
Ningbo Hanson Communication Technology Co., Ltd.
Ningbo Hanson Communication Technology Co., Ltd.
Ningbo Hanson Communication Technology Co., Ltd. is China TNC csatlakozó Supplier and Custom TNC csatlakozó Company. We are a manufacturer specializing in the production, processing, and trade of communication components, with more than 30 years of experience in RF coaxial connectors, adapters, and cable assemblies. A cég mára kifejlesztette saját megmunkáló műhelyét, galvanizáló műhelyét, összeszerelő műhelyét, valamint stabil és megbízható beszállítói csoportot. A cég célja, hogy vásárlóinak minőségi termékeket biztosítson. A fő termékek RF koaxiális csatlakozók, adapterek, nagyfrekvenciás kábelszerelvények és alacsony intermodulációs kábelszerelvények. Ezen túlmenően a vállalat testreszabott igényű ügyfelek számára is tud szolgáltatásokat nyújtani, hogy megfeleljen az ügyfelek speciális termékigényeinek. A cég termékeit széles körben használják a repülőgépiparban, a kommunikációs bázisállomásokon, az orvosi berendezésekben és más high-tech területeken. A vállalati reform, innováció, fejlesztés és növekedés idején a vállalat kezdeményezte, hogy csatlakozzon az ISO9001 nemzetközi minőségirányítási rendszerhez, és folyamatosan fejlesztette a menedzsment szintjét, hogy kielégítőbb termékeket és szolgáltatásokat nyújtson új és régi ügyfeleknek.
Legfrissebb hírek
Üzleti lehetőséget keres?

Kérjen hívást még ma