OEM N type RF Coaxial Connector Supplier

Ningbo Hanson Communication Technology Co., Ltd. Otthon / Termékek / RF koaxiális csatlakozó / N-típusú RF koaxiális csatlakozó

N-típusú RF koaxiális csatlakozó

Leírás:

Az N-típusú sorozatú RF koaxiális csatlakozó menetes csatlakozási mechanizmussal rendelkező RF koaxiális csatlakozó, amelyet a MIL-C-39012 amerikai katonai szabvány szerint fejlesztettek és gyártottak. Jellemzői: széles sávszélesség, jó ütésállóság, nagy megbízhatóság és kiváló teljesítmény, és széles körben használják a mikrohullámú kommunikációs és mérőrendszerekben. A gyárunk által gyártott N-típusú sorozatú RF koaxiális csatlakozó karakterisztikus impedanciája két típusra oszlik: 50Ω és 75Ω.

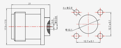
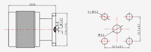
Paraméter:

Fő műszaki adatok:
◆ Jellemző impedancia: 50Ω/75Ω
◆ Frekvencia tartomány: DC-18GHz (50Ω)/DC-3GHz (75Ω)
◆ Szigetelési ellenállás: ≥5000MΩ
◆ Dielektromos ellenállási feszültség: 1500 V (rms)
◆ Feszültség állóhullám-arány (VSWR): ≤1,30
◆ Párosítási ciklusok: 500-szor

Érdeklődni

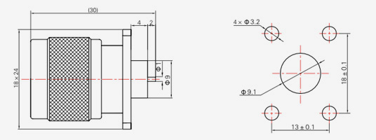
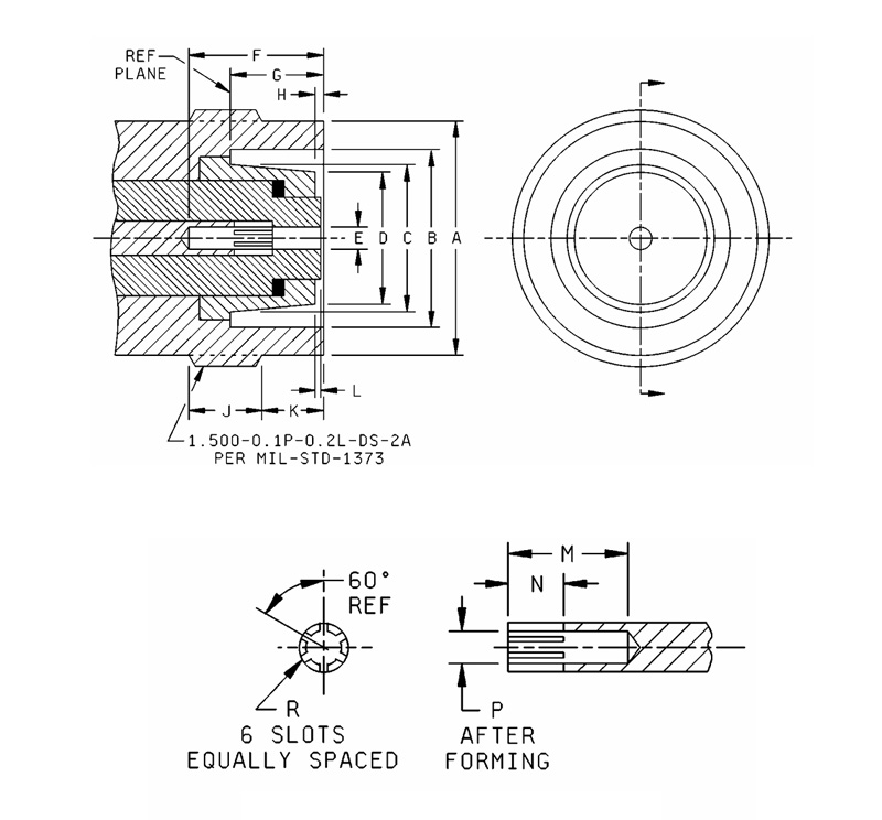
Homályos
hadnagy
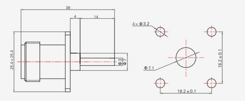
hüvelyk (mm)
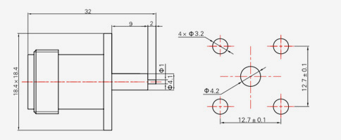
Min. Max.
A .336 (8.53) .344 (8.74)
B .316 (8.03) .320 (8.13)
C .356 (9.04) .362 (9,19)
D 0,187 (4,75) .207 (5.26)
E ------- 0,627 (15,93)
F .119 (3.02) .124 (3.15)
G .422 (10.72) -------
H .172 (4.37) 0,220 (5,59)
J 0,047 (1,19) 0,077 (1,96)
K 0,047 (1,19) 0,077 (1,96)
L 0,187 (4,75) .207 (5.26)
N .210 (5.33) -------

Megjegyzések:
1. Ennek az interfésznek meg kell felelnie az űrszelvényre vonatkozó követelményeknek a pontban meghatározottak szerint
MIL-PRF-39o12/2.
2. Hézag a csatlakozó csatlakozó tengelykapcsoló anyjához.
3. VSwR, párosítási jellemzők, érintkezési ellenállás és
a csatlakozó tartóssága a.063/.066 átmérőjű tűvel párosítva.

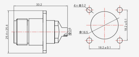
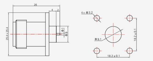
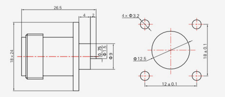
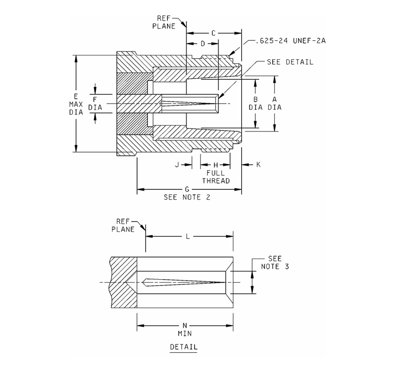
Homályos
hadnagy
hüvelyk (mm)
Min. Max.
A 1,740 (44,20) 1,760 (44,70)
B 1,537 (39,04) 1,543 (39,19)
C 1,060 (26,92) 1,064 (27,03)
D .964 (24.49) 0,974 (24,74)
E .194 (4,93) 0,196 (4,98)
F .836 (21.23) .856 (21.74)
G 0,372 (9,45) 0,392 (9,96)
H 0,271 (6,88) 0,291 (7,39)
J 551 (14.00) .571 (14.50)
K 0,370 (9,40) 0,380 (9,65)
L 0,001 (0,03) 0,013 (0,33)

Megjegyzések:
1. Ennek az interfésznek meg kell felelnie az űrszelvényre vonatkozó követelményeknek a pontban meghatározottak szerint MIL-PRF-39012/44.

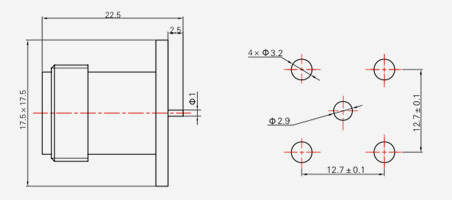
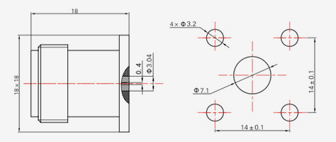
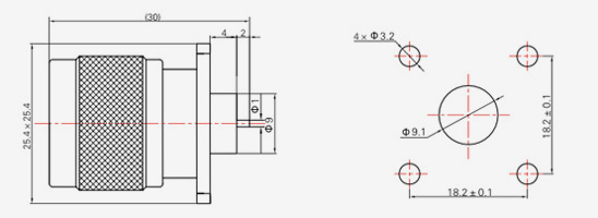
Homályos
hadnagy
hüvelyk (mm)
Min. Max.
A 1,404 (35,66) 1,408 (35,76)
B 1,100 (27,94) 1,120 (28,45)
C 1,998 (50,75) 1,002 (25,45)
D 936 (23,77) 0,940 (23,88)
E .191 (4,85) 0,195 (4,95)
F .763 (19.38) 0,783 (19,89)
G 0,465 (11,81) .485 (12.32)
H .062 (1.57) Hivatkozás
J .302 (7,67) .322 (8.18)
K .302 (7,67) .322 (8.18)
L 0,001 (0,03) 0,013 (0,33)
M 0,490 (12,45) 0,510 (12,95)
N .240 (6.10) ,260 (6,60)
P 0,187 (4,75) 0,189 (4,80)
R 0,014 (0,36) 0,018 (0,46)

Megjegyzések:
1. Ennek az interfésznek meg kell felelnie az űrszelvényre vonatkozó követelményeknek a pontban meghatározottak szerint MIL-PRF-39012/45.

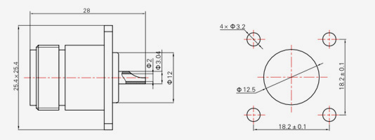
N SERIES
  • N-JB2
    N-JB2
    Modell Kábel típusa d
    N-JB2 SFT-50-2,670-086 Φ2.2
    N-JB3 SFT-50-3,670-141 3,6 $ $
  • N-JB3-1
    N-JB3-1
    Modell Kábel típusa L
    N-JB3-1 SFT-50-3,670-141 17.6
    N-JB3A-1 SFT-50-3,670-141 16.5
  • N-KB3
    N-KB3
    Modell Kábel típusa
    N-KB3 SFT-50-3,670-141
  • N-KFB3
    N-KFB3
    Modell Kábel típusa
    N-KFB3 SFT-50-3,670-141
  • N-KYB3
    N-KYB3
    Modell Kábel típusa
    N-KYB3 SFT-50-3,670-141
  • N-J3
    N-J3
    Modell Kábel típusa
    N-J3 SYV-50-2-1,RG316
    N-J4 SYV-50-2-2
  • N-J5
    N-J5
    Modell Kábel típusa L
    N-J5 SYV-50-3,RG142, SFCJ-50-3-51 33
    N-J5C SYV-50-3,RG142, SFCJ-50-3-51 33
    N-J7 SYV-50-5-1, SFCJ-50-5-51 36
    N-J10 SYV-50-7-1, SYV-50-7-2, SFCJ-50-7-51 36
  • N-J5.3
    N-J5.3
    Modell Kábel típusa
    N-J5.3 32055,205,GNB415
  • N-J311
    N-J311
    Modell Kábel típusa
    N-J311 FFB311A
  • N-J10-1
    N-J10-1
    Modell Kábel típusa
    N-J10-1 SFCJ-50-7-51
  • N-JW5
    N-JW5
    Modell Kábel típusa
    N-JW5 SFCJ-50-3-51,SYV-50-3-4,RG142
    N-JW7 SFCJ-50-5-51,SYV-50-5-1
    N-JW10 SFCJ-50-7-51,SYV-50-7-2
  • N-JW8A
    N-JW8A
    Modell Kábel típusa
    N-JW8A FFB311A,SYV-50-5
    N-JW12A SYV-75-3
    N-JW13A SYV-75-5
  • N-K3
    N-K3
    Modell Kábel típusa
    N-K3 SYV-50-2-1,RG316
  • N-K5
    N-K5
    Modell Kábel típusa L
    N-K5 SYV-50-3,RG142, SFCJ-50-3-51 36
    N-K7 SYV-50-5-1,SFCJ-50-5-51 38
    N-K10 SYV-50-7-1,SFCJ-50-7-51 38
  • N-KF5
    N-KF5
    Modell Kábel típusa L
    N-KF5 SYV-50-3,RG142,SFCJ-50-3-51 36
    N-KF7 SYV-50-5-1,SFCJ-50-5-51 38
    N-KF10 SYV-50-7-1,SFCJ-50-7-51 38
  • N-KF3A
    N-KF3A
    Modell Kábel típusa L
    N-KF3A SYV-50-2-1,RG316 33
    N-KF5A SYV-50-3-4,RG142 42
  • N-KY3Y
    N-KY3Y
    Modell Kábel típusa
    N-KY3Y SYV-50-2-1,RG316
  • N-KFD
    N-KFD
    Modell L L1 L2
    KFD 26 4 2
    KFD2 31 6 5
    KFD15 30 6 4
    KFD16 28.5 6 2.5
    KFD17 28 6 2
    KFD18 29 5 4
    KFD19 29 4 5
    KFD20 33 4 9
  • N-KF
    N-KF
  • N-JFD1
    N-JFD1
  • N-JFD2
    N-JFD2
  • N-JFD3
    N-JFD3
  • N-JFD23
    N-JFD23
  • N-KFD1
    N-KFD1
  • N-KFD7
    N-KFD7
  • N-KFD11
    N-KFD11
  • N-KFD50
    N-KFD50
  • N-KFD-Z
    N-KFD-Z
  • N-KFD9
    N-KFD9
  • N-KFD14
    N-KFD14

TARTSA KAPCSOLATOT

[#bemenet#]
BEADÁS
Rólunk
Ningbo Hanson Communication Technology Co., Ltd.
Ningbo Hanson Communication Technology Co., Ltd.
Ningbo Hanson Communication Technology Co., Ltd. is China N type RF Coaxial Connector Supplier and Custom N type RF Coaxial Connector Company. We are a manufacturer specializing in the production, processing, and trade of communication components, with more than 30 years of experience in RF coaxial connectors, adapters, and cable assemblies. A cég mára kifejlesztette saját megmunkáló műhelyét, galvanizáló műhelyét, összeszerelő műhelyét, valamint stabil és megbízható beszállítói csoportot. A cég célja, hogy vásárlóinak minőségi termékeket biztosítson. A fő termékek RF koaxiális csatlakozók, adapterek, nagyfrekvenciás kábelszerelvények és alacsony intermodulációs kábelszerelvények. Ezen túlmenően a vállalat testreszabott igényű ügyfelek számára is tud szolgáltatásokat nyújtani, hogy megfeleljen az ügyfelek speciális termékigényeinek. A cég termékeit széles körben használják a repülőgépiparban, a kommunikációs bázisállomásokon, az orvosi berendezésekben és más high-tech területeken. A vállalati reform, innováció, fejlesztés és növekedés idején a vállalat kezdeményezte, hogy csatlakozzon az ISO9001 nemzetközi minőségirányítási rendszerhez, és folyamatosan fejlesztette a menedzsment szintjét, hogy kielégítőbb termékeket és szolgáltatásokat nyújtson új és régi ügyfeleknek.
Legfrissebb hírek
Üzleti lehetőséget keres?

Kérjen hívást még ma