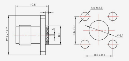
OEM SMA RF Coaxial Connector Supplier

SMA csatlakozó

Leírás:

Az SMA RF koaxiális csatlakozó egy menetes csatlakozási mechanizmussal rendelkező RF koaxiális csatlakozó, amelyet a MIL-C-39012 amerikai katonai szabvány szerint fejlesztettek ki és gyártottak. Előnye a kis méret, a széles sávszélesség, a kiváló mechanikai és elektromos teljesítmény, valamint a nagy megbízhatóság. Ez az egyik legszélesebb körben használt RF csatlakozó. Széles körben használják a mikrohullámú kommunikációban, a repülésben, a fegyverrendszerekben, a mikrohullámú mérőberendezésekben és más területeken.

Paraméter:

Fő műszaki adatok:
◆ Jellemző impedancia: 50Ω
◆ Frekvencia tartomány: DC–26,5 GHz
◆ Szigetelési ellenállás: ≥5000MΩ
◆ Dielektromos ellenállási feszültség: 1000 V (rms)
◆ Feszültség állóhullám-arány (VSWR): ≤1,25
◆ Párosítási ciklusok: 500-szor

Érdeklődni
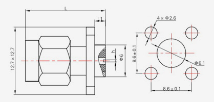
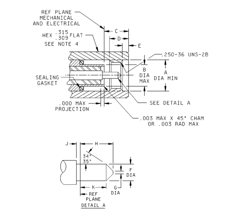
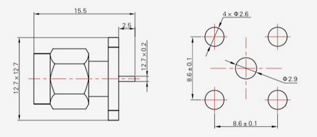
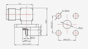
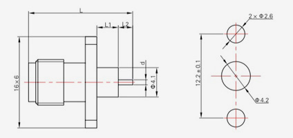
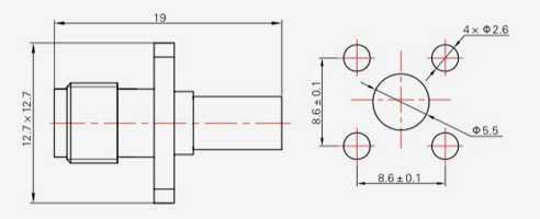
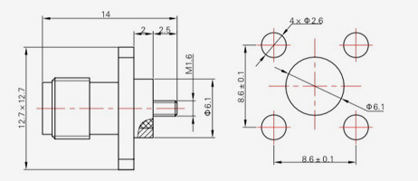
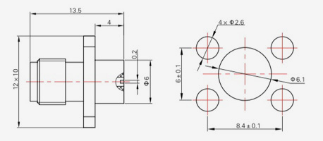
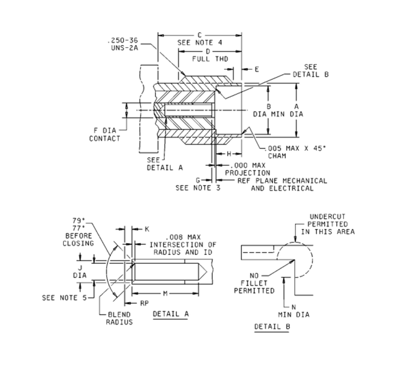
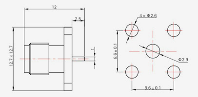
  • SMA dugó/dugasz csatlakozó interfész méretei

Homályos.
hadnagy.
hüvelyk (mm)
Min. Max.
A .255(6.48) ------
B ------ .1808(4.59)
C ------ .135(3.43)
D .130(3.30) ------
E 0,015(0,38) .045(1.14)
F .0355(0,90) .0370(0,94)
G ------ .012(0.30)
H ------ .100(2,54)
J .000(0.00) ------
K .050(1.27) ------

Megjegyzések:
1. A méretek hüvelykben értendők.
2. A metrikus egyenértékek csak tájékoztató jellegűek.
3. A csatlakozó interfészeit (az illesztés után) portól és nedvességtől mentesen kell tartani.
4. A tengelykapcsoló anya teljes hosszában kinyúlhat.



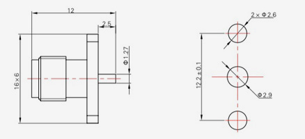
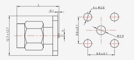
  • SMA aljzat / Jack csatlakozó interfész méretei

Homályos.
hadnagy.
hüvelyk (mm)
Min. Max.
A .208 (5.28) .216(5.49)
B .1810(4,60) ------
C .218(5.54) ------
D .170(4.32) ------
E 0,15 (0,38) .045(1.14)
F .049(1.24) .051(1.30)
G .000(0.00) .010(0,25)
H .074(1.88) .078(1.98)
J .043(1.09) .047(1.19)
K .000(0.00) .010(0,25)
M .105(2.67) ------
N .168 (4.27) ------

Megjegyzések:
1. A méretek hüvelykben értendők.
2. A metrikus egyenértékek csak tájékoztató jellegűek.
3. Kormányzati használatra nem fogadhatók el a 0,76 hüvelykes (0,76) maximális érintkezési mélyedést használó, korábban minősített alkatrészek. Óvatosan kell megállapítani, hogy a karbantartás és az alkatrészcsere során 0,030-as recessziós kialakítást alkalmaznak-e.
4. Hézag a csatlakozó csatlakozó tengelykapcsoló anyjához.
5. A VSWR-nek megfelelő méret, a párosítási jellemzők és a csatlakozó tartóssága
.0355/-.0370 hüvelyk átmérőjű csap.

SMA SERIES
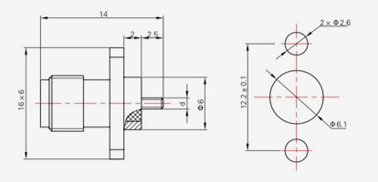
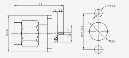
  • SMA-JB1
    SMA-JB1
    Modell Kábel modell d L
    SMA-JB1 SFT-50-1,670-047 Φ1.2 12.5
    SMA-JB2 SFT-50-2,670-086 Φ2.2 11.2
    SMA-JB3 SFT-50-3,670-141 3,6 $ $ 12.0
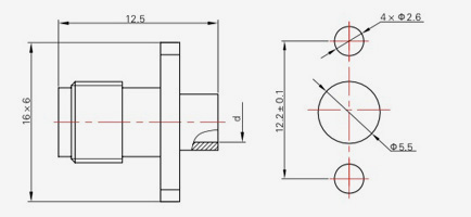
  • SMA-JB3E
    SMA-JB3E
    Modell Kábel modell
    SMA-JB3E SFT-50-3,670-141
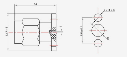
  • SMA-JWB2
    SMA-JWB2
    Modell Kábel modell d L
    SMA-JWB2 SFT-50-2,670-086 Φ2.2 15.6
    SMA-JWB3 SFT-50-3,670-141 Φ3,6 16
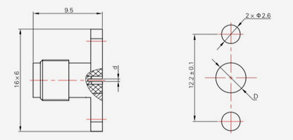
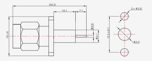
  • SMA-KB2
    SMA-KB2
    Modell Kábel modell d
    SMA-KB2 SFT-50-2,670-086 Φ2.2
    SMA-KB3 SFT-50-3,670-141 Φ3,6
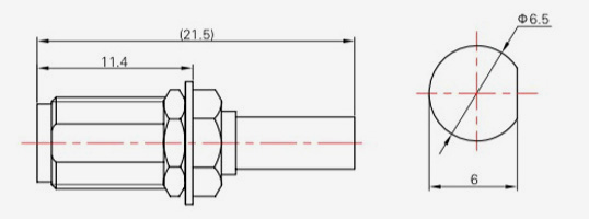
  • SMA-J5
    SMA-J5
    Modell Kábel modell
    SMA-J5 SYV-50-3,RG142,
    SFCJ-50-3-51
    SMA-J5C
  • SMA-(K)5
    SMA-(K)5
    Modell Kábel modell
    SMA-(K)5 SYV-50-3,RG142,
    SFCJ-50-3-51
  • SMA-J5.3
    SMA-J5.3
    Modell Kábel modell
    SMA-J5.3 32055,205,GNB-415
  • SMA-JW2
    SMA-JW2
    Modell Kábel modell
    SMA-JW2 SYV-50-1
    SMA-JW3 SYV-50-2-1,RG316
    SMA-JW4 SYV-50-2-2
    SMA-JW5 SYV-50-3,RG142,SFCJ-50-3-51
  • SMA-JW5-1
    SMA-JW5-1
    Modell Kábel modell
    SMA-JW5-1 SYV-50-3,RG142,SFCJ-50-3-51
  • SMA-KFB2
    SMA-KFB2
    Modell Kábel modell d
    SMA-KFB2 SFT-50-2,670-086 Φ2.2
    SMA-KFB3 SFT-50-3,670-141 Φ3,6
  • SMA-KFB2-1
    SMA-KFB2-1
    Modell Kábel modell d
    SMA-KFB2-1 SFT-50-2,670-086 Φ2.2
    SMA-KFB3-1 SFT-50-3,670-141 Φ3,6
  • SMA-KYB2
    SMA-KYB2
    Modell Kábel modell d
    SMA-KYB2 SFT-50-2,670-086 Φ2.2
    SMA-KYB3A SFT-50-3,670-141 Φ3,6
  • SMA-KYB3
    SMA-KYB3
    Modell Kábel modell d
    SMA-KYB3 SFT-50-3,670-141 Φ3,6
  • SMA-J2
    SMA-J2
    Modell Kábel modell
    SMA-J2 SYV-50-1
    SMA-J3 SYV-50-2-1,RG316
    SMA-J4 SYV-50-2-2
  • SMA-K2
    SMA-K2
    Modell Kábel modell
    SMA-K2 SYV-50-1
    SMA-K3 SYV-50-2-1,RG316
  • SMA-K5
    SMA-K5
    Modell Kábel modell
    SMA-K5 SYV-50-3,RG142,SFCJ-50-3-51
    SMA-K5C
  • SMA-(J)5
    SMA-(J)5
    Modell Kábel modell
    SMA-(J)5 SYV-50-3,RG142,SFCJ-50-3-51
  • SMA-KF2
    SMA-KF2
    Modell Kábel modell
    SMA-KF2 SYV-50-1
    SMA-KF3 SYV-50-2-1,RG316
  • SMA-KY2
    SMA-KY2
    Modell Kábel modell
    SMA-KY2 SYV-50-1
    SMA-KY3 SYV-50-2-1,RG316
    SMA-KY5 SYV-50-3,RG142,SFCJ-50-3-51
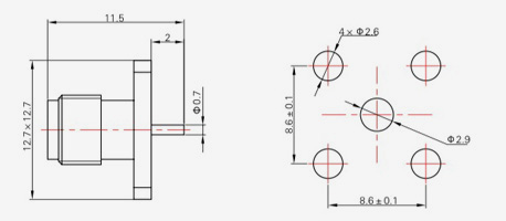
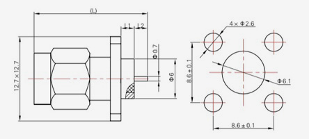
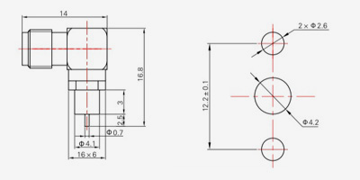
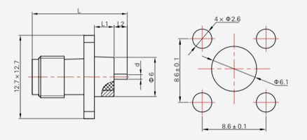
  • SMA-JFD1
    SMA-JFD1
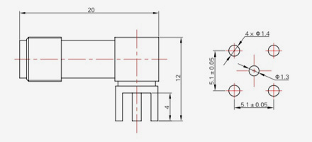
    Modell L L1 L2
    SMA-JFD1 18 3 2
    SMA-JFD30 18 3 1.5
    SMA-JFD95 19 4 2
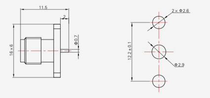
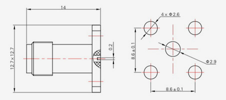
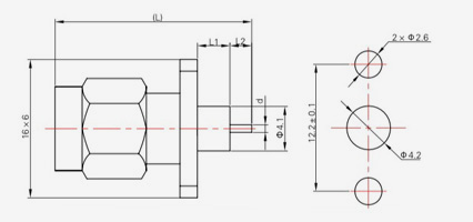
  • SMA-JFD2
    SMA-JFD2
    Modell L L1 L2 d
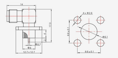
    SMA-JFD2 18 3 2 Φ0.7
    SMA-JFD31 18.5 3 2.5 Φ1.0
    SMA-JFD59 25 3 9 Φ1.0
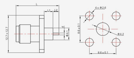
  • SMA-JFD4
    SMA-JFD4
    Modell L L1 L2 d
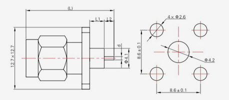
    SMA-JFD4 32 8 11 Φ1,27
    SMA-JFD5 18 3 2 Φ1.0
    SMA-JFD13 25 8 4 Φ1,27
    SMA-JFD58 29.2 15 2 Φ1,27
  • SMA-JFD6
    SMA-JFD6
    Modell L L1 L2 d
    SMA-JFD6 32 8 11 Φ1,27
    SMA-JFD7 25 8 4 Φ1,27
    SMA-JFD8 31 15 3 Φ1,27
    SMA-JFD9 18.2 3 2 Φ1,27
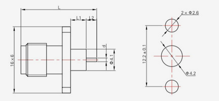
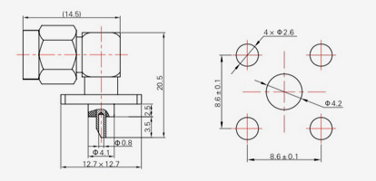
  • SMA-KFD3
    SMA-KFD3
    Modell L L1 L2 d
    SMA-KFD3 27.5 15 3 Φ1.27
    SMA-KFD4 33.5 21 3 Φ1.27
    SMA-KFD8 18.5 6 3 Φ1.27
    SMA-KFD9 24.5 12 3 Φ1.27
    SMA-KFD16 20.5 8 3 Φ1.27
    SMA-KFD21 15.5 2 4 Φ1.27
    SMA-KFD24 22.5 10 3 Φ1.27
    SMA-KFD33 17.5 5 3 Φ1,7
  • SMA-KFD3
    SMA-KFD3
    Modell L L1 L2 d
    SMA-KFD46 16.5 4 3 Φ1.27
    SMA-KFD52 16.5 2 5 Φ1.0
    SMA-KFD53 20.5 6 5 Φ1.0
    SMA-KFD87 15 3 2.5 Φ0.7
    SMA-KFD133 15.5 4 2 Φ0.7
    SMA-KFD146 22.3 7 5 Φ1.0
    SMA-KFD147 18.5 4 5 Φ1.0
  • SMA-KFD5
    SMA-KFD5
    Modell L L1 L2 d
    SMA-KFD5 15.5 4 2 Φ1.27
    SMA-KFD6 22.5 8 5 Φ0.7
    SMA-KFD7 20.5 8 3 Φ1.27
    SMA-KFD18 16 4 1.5 Φ0,5
    SMA-KFD20 18.5 6 3 Φ1.27
    SMA-KFD22 27.5 15 3 Φ1.27
    SMA-KFD23 14.1 4 0.6 Φ0.4
    SMA-KFD30 33.5 21 3 Φ1.27
    SMA-KFD43 21.5 4 8 Φ1.27
    SMA-KFD47 14 2 2.5 Φ1
  • SMA-KFD5
    SMA-KFD5
    Modell L L1 L2 d
    SMA-KFD61 16.5 4.5 2 Φ1,27
    SMA-KFD62 17 3.5 4 Φ1,27
    SMA-KFD63 19.5 3.5 4 Φ1,27
    SMA-KFD64 18 3.5 5 Φ1,27
    SMA-KFD65 19 4.5 5 Φ1,27
    SMA-KFD66 20.5 4.5 6.5 Φ1,27
    SMA-KFD71 15.5 4 2 Φ0.7
    SMA-KFD122 21.5 6 6 Ф1.2
    SMA-KFD123 14.5 2 3 Φ1.2
    SMA-KFD144 19.5 9 1 Φ1.0
    SMA-KFD177 20.5 8 3 Φ1,27
  • SMA-KFD11
    SMA-KFD11
    Modell L L1 L2 d
    SMA-KFD11 14.5 3 2 Φ0,5
    SMA-KFD29 16.5 5 2 Φ0.7
    SMA-KFD75 22.5 4 9 Φ0.7
    SMA-KFD76 14.5 3 2 Φ0.7
    SMA-KFD79 27.5 2 16 Φ1.0
    SMA-KFD95 15.5 4 2 Φ0.7
    SMA-KFD126 17.7 3 5.2 Φ1.0
    SMA-KFD127 22.5 3 10 Φ1.0
    SMA-KFD132 15.5 4 2 Φ1.0
    SMA-KFD140 18.5 5 4 Φ1.0
  • SMA-KFD31
    SMA-KFD31
    Modell L L1 L2 d
    SMA-KFD31 15 3 2.5 Φ1.0
    SMA-KFD32 21.5 3 9 Φ1.0
    SMA-KFD34 17.5 3 5 Φ1
    SMA-KFD80 16.5 3 4 Φ0.7
    SMA-KFD100 16.5 5 2 Φ0.7
    SMA-KFD101 15.5 4 2 Φ0.7
    SMA-KFD102 14.5 3 2 Φ0.7
    SMA-KFD130 21.5 3 9 Φ0.7
    SMA-KFD131 15.5 4 2 Φ1.0
    SMA-KFD134 17 5 2.5 Φ0.7
    SMA-KFD136 19.5 4 6 Φ1
    SMA-KFD163 18.7 3.2 5 Φ1.0
  • SMA-KFD81
    SMA-KFD81
    Modell d
    SMA-KFD81 M1
    SMA-KFD109 M1.6
  • SMA-KFD119
    SMA-KFD119
    Modell L L1 L2 d
    SMA-KFD119 17 6.5 1 Φ3.0
    SMA-KFD121 18 6.5 2 Φ3.0
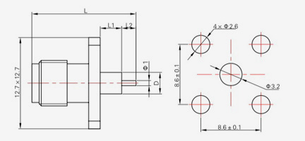
    SMA-KFD141 17.5 4 4 Φ3.2
    SMA-KFD142 18.3 7.8 1 Φ3.0
    SMA-KFD149 17.5 3 5 Φ3.0
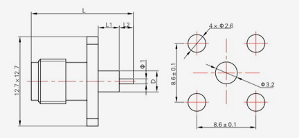
  • SMA-KWFD3
    SMA-KWFD3
    Modell L L1 L2 d D
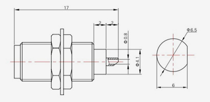
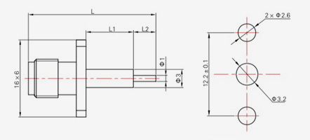
    SMA-KWFD3 26.7 11 4.5 Φ1.27 Φ4.1
    SMA-KWFD4 24.2 8 5 Φ1.0 Φ3.2
    SMA-KWFD5 24.2 8 5 Φ0.7 Φ4.1
    SMA-KWFD6 21.2 5 5 Φ0.7 Φ4.1
    SMA-KWFD7 24.2 3 10 Φ0.7 Φ4.1
    SMA-KWFD8 21.3 5 5 Φ0.7 Φ4.1
    SMA-KWFD9 16.2 3 2 Φ0.7 Φ4.1
    SMA-KWFD12 15.2 2 2 Φ0.7 Φ4.1
    SMA-KWFD49 25.2 5 9 Φ0,17 Φ4.1
  • SMA-JFD11
    SMA-JFD11
    Modell L L1 h
    SMA-JFD11 14 1 0.2
    SMA-JFD17 16 3 0.4
    SMA-JFD18 14 1 0.3
    SMA-JFD19 14 1 0.4
    SMA-JFD20 14 1 0.5
    SMA-JFD24 15 2 0.4
  • SMA-JFD12
    SMA-JFD12
    Modell L h
    SMA-JFD12 13.1 0.4
    SMA-JFD14 13.1 0.55
  • SMA-KFD145
    SMA-KFD145
    Modell L L1 L2
    SMA-KFD145 22.3 7.8 5
    SMA-KFD151 21 2.5 9
    SMA-KFD161 20.5 6.5 5
    SMA-KFD162 17.5 3 5
  • SMA-KWF
    SMA-KWF
    Modell L L1
    SMA-KWF 14.6 3.3
    SMA-KWFD10 13.3 2
  • SMA-JFD16
    SMA-JFD16
    Modell h
    SMA-JFD16 0.2
    SMA-JFD21 0.3
    SMA-JFD22 0.4
    SMA-JFD23 0.5
  • SMA-KFD26
    SMA-KFD26
    Modell h
    SMA-KFD26 0.2
    SMA-KFD27 0.4
    SMA-KFD110 0.3
    SMA-KFD111 0.5
  • SMA-KFD112
    SMA-KFD112
    Modell h
    SMA-KFD112 0.2
    SMA-KFD113 0.3
    SMA-KFD114 0.4
    SMA-KFD115 0.5
  • SMA-KFD10
    SMA-KFD10
    Modell L L1 t
    SMA-KFD10 15.8 3 0,5×0,2
    SMA-KFD14 16.5 4 0,5×0,2
    SMA-KFD35 14.5 2 1,27 × 0,2
  • SMA-KFD13
    SMA-KFD13
    Modell L L1 t d D
    SMA-KFD13 16 4 0,5×0,2 Φ4.1 Φ4.2
    SMA-KFD14 15.2 3.2 0,5×0,2 Φ4.1 Φ4.2
    SMA-KFD35 15 3 1,27×0,2 Φ4.1 Φ4.2
    SMA-KFD45 14.4 2.4 0,5×0,2 Φ4.1 Φ4.2
    SMA-KFD68 15.2 3.2 0,5×0,2 Φ2.1 Φ2.2
    SMA-KFD73 16 4 1,27×0,2 Φ4.1 Φ4.2
  • SMA-KFD39
    SMA-KFD39
    Modell t
    SMA-KFD39 0,5×0,2
    SMA-KFD149 1,27 × 0,2
  • SMA-JFD40
    SMA-JFD40
    Modell d D
    SMA-JFD40 Φ0,5 Φ3.0
    SMA-JFD41 Φ0,45 Φ2.8
    SMA-JFD42 Φ0,38 Φ2.5
    SMA-JFD44 Φ0.3 Φ2.0
  • SMA-JFD48
    SMA-JFD48
    Modell d D
    SMA-JFD48 Φ0,5 Φ3.0
    SMA-JFD55 Φ0,45 Φ2.8
    SMA-JFD56 Φ0,38 Φ2.5
    SMA-JFD57 Φ0.3 Φ2.0
  • SMA-KFD40
    SMA-KFD40
    Modell d D
    SMA-KFD40 Ф0,5 Φ3.0
    SMA-KFD41 Φ0,45 Φ2.8
    SMA-KFD42 Φ0,38 Φ2.5
    SMA-KFD44 Φ0.3 Φ2.0
  • SMA-KFD48
    SMA-KFD48
    Modell d D
    SMA-KFD48 Φ0,5 Φ3.0
    SMA-KFD55 Φ0,45 Φ2,8
    SMA-KFD56 Φ0,38 Φ2.5
    SMA-KFD57 Φ0.3 Φ2.0
    SMA-KFD152 Φ0.4 Φ2,8
  • SMA-KHD
    SMA-KHD
    Modell L
    SMA-KHD 13.5
    SMA-KHD10 18.5
  • SMA-KHD1
    SMA-KHD1
    Modell A d
    SMA-KHD1 1.2 Φ1.27
    SMA-KHD2 1.5 Φ1.27
    SMA-KHD3 2 Φ1.27
    SMA-KHD4 0.5 Φ1.27
    SMA-KHD5 0.8 Φ1.27
    SMA-KHD6 1 Φ1.27
    SMA-KHD8 1.6 Φ0.8
    SMA-KHD9 1.6 Φ1.27
    SMA-KHD11 1 Φ0,5
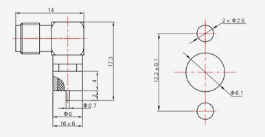
  • SMA-JWF
    SMA-JWF
  • SMA-KF1
    SMA-KF1
  • SMA-KFD17
    SMA-KFD17
  • SMA-KFD150
    SMA-KFD150
  • SMA-KWF1
    SMA-KWF1
  • SMA-KYD
    SMA-KYD
  • SMA-JFD3
    SMA-JFD3
  • SMA-JFD61
    SMA-JFD61
  • SMA-KFD19
    SMA-KFD19
  • SMA-KFD36G
    SMA-KFD36G
  • SMA-KFD51
    SMA-KFD51
  • SMA-KFD125
    SMA-KFD125
  • SMA-KFD135
    SMA-KFD135
  • SMA-KWFD2-1
    SMA-KWFD2-1
  • SMA-KWFD2-2
    SMA-KWFD2-2
  • SMA-KFD154
    SMA-KFD154
  • SMA-KFD158
    SMA-KFD158
  • SMA-KWFD2
    SMA-KWFD2
  • SMA-JFD26
    SMA-JFD26
  • SMA-JFD124
    SMA-JFD124
  • SMA-KFD124
    SMA-KFD124
  • SMA-KFD143
    SMA-KFD143
  • SMA-JFD15
    SMA-JFD15
  • SMA-JFD25
    SMA-JFD25
  • SMA-JFD54
    SMA-JFD54
  • SMA-KFD54
    SMA-KFD54
  • SMA-KFD78
    SMA-KFD78
  • SMA-JHD
    SMA-JHD
  • SMA-KHD7
    SMA-KHD7
  • SMA-KWHD
    SMA-KWHD
  • SMA-KWHD4
    SMA-KWHD4
  • SMA-KWHD5
    SMA-KWHD5

TARTSA KAPCSOLATOT

[#bemenet#]
BEADÁS
Rólunk
Ningbo Hanson Communication Technology Co., Ltd.
Ningbo Hanson Communication Technology Co., Ltd.
Ningbo Hanson Communication Technology Co., Ltd. is China SMA RF Coaxial Connector Supplier and Custom SMA RF Coaxial Connector Company. We are a manufacturer specializing in the production, processing, and trade of communication components, with more than 30 years of experience in RF coaxial connectors, adapters, and cable assemblies. A cég mára kifejlesztette saját megmunkáló műhelyét, galvanizáló műhelyét, összeszerelő műhelyét, valamint stabil és megbízható beszállítói csoportot. A cég célja, hogy vásárlóinak minőségi termékeket biztosítson. A fő termékek RF koaxiális csatlakozók, adapterek, nagyfrekvenciás kábelszerelvények és alacsony intermodulációs kábelszerelvények. Ezen túlmenően a vállalat testreszabott igényű ügyfelek számára is tud szolgáltatásokat nyújtani, hogy megfeleljen az ügyfelek speciális termékigényeinek. A cég termékeit széles körben használják a repülőgépiparban, a kommunikációs bázisállomásokon, az orvosi berendezésekben és más high-tech területeken. A vállalati reform, innováció, fejlesztés és növekedés idején a vállalat kezdeményezte, hogy csatlakozzon az ISO9001 nemzetközi minőségirányítási rendszerhez, és folyamatosan fejlesztette a menedzsment szintjét, hogy kielégítőbb termékeket és szolgáltatásokat nyújtson új és régi ügyfeleknek.
Legfrissebb hírek
Üzleti lehetőséget keres?

Kérjen hívást még ma