OEM RF üveg szigetelő Supplier

Ningbo Hanson Communication Technology Co., Ltd. Otthon / Termékek / Hermetikusan zárt sorozat / RF üveg szigetelő

RF üveg szigetelő

Leírás:

Az üvegszigetelők jó tömítőképességű üveg szinterező szerkezetet használnak. Használhatók milliméterhullámú csatlakozókkal, például SMA és 2.92-vel, és közvetlenül is használhatók PCB-lapok, sablonok, valamint sablonok és alkatrészek között. Szigetelőanyagként üveget használ (a dielektromos állandó körülbelül 4,0), a belső és külső vezetők pedig Kovar ötvözetből készülnek. Magas hőmérsékletű szinterezés után a felületet arannyal nikkelezzük. Az üvegszigetelők előnye a kis méret, a könnyű súly, a légtömörség és a nagy megbízhatóság. Leginkább olyan esetekben használják, ahol tömítési követelmények, vagy a termék térfogatára és tömegére vonatkozó követelmények vonatkoznak. Intenzív beépítésre alkalmasak. A belső vezeték többféleképpen csatlakoztatható, például dugaszolással, felületre szereléssel, hegesztéssel és aranyhuzal kötéssel.

Érdeklődni

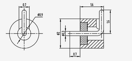
Alap felépítés:
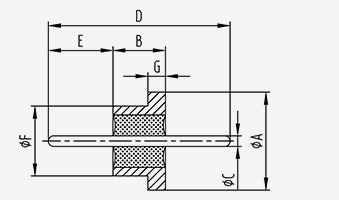
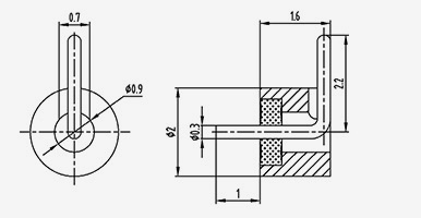
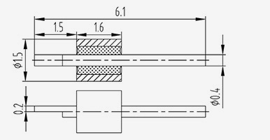
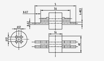
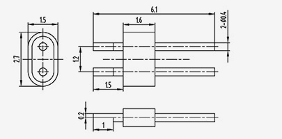
Az üvegszigetelő általában három részből áll: külső vezetőből, üvegközegből és belső vezetőből, alapfelépítését a következő ábra mutatja.

Műszaki adatok és megbízhatósági vizsgálatok:

Elektromos jellemzők
Jellegzetes impedancia 50Ω vagy más Frekvencia tartomány DC ~ 65 GHz
Dielektromos ellenállású feszültség ≥500V Szigetelési ellenállás ≥5000M Ω
Érintkezési ellenállás Belső vezető≤3m Ω VSWR feszültség (50Ω) ≤ 1,05 0,008f ( f: GHz)
Külső vezető ≤2m Ω RF beillesztési veszteség (50Ω) ≤0,05 √ f (f: GHz)
Anyag és mechanikai, környezeti tulajdonságok
Külső vezető Delegálható ötvözetek Levegőszivárgás mértéke 1,01*10 -9 Pa.m 3 /S
Belső vezető Lebomló ötvözetek Üzemi hőmérséklet -65 ~ 165
Szigetelő közeg Üveg

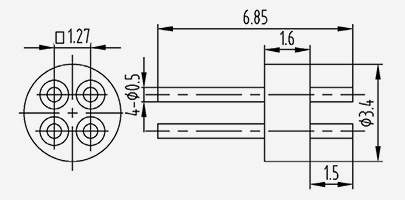
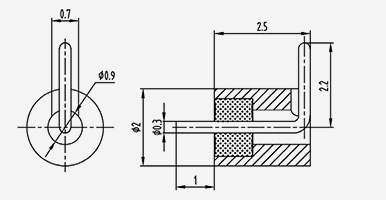
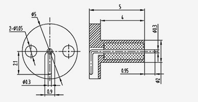
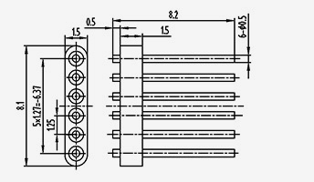
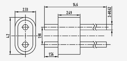
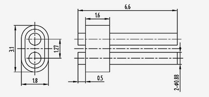
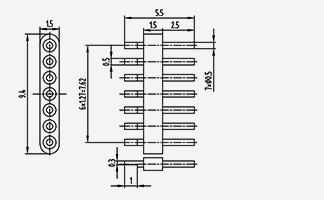
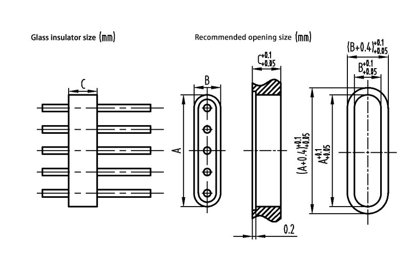
Üvegszigetelők javasolt beépítési méretei
Az alábbiakban láthatók az egymagos üvegszigetelők ajánlott beépítési nyílásméretei:

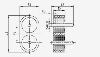
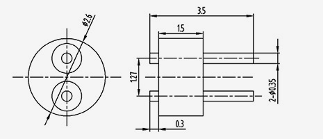
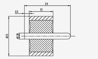
A többmagos üvegszigetelők ajánlott szerelési nyílásméretei az alábbiak:

Üvegszigetelő elektromos teljesítményének vizsgálata:
50 ohmos karakterisztikus impedanciájú üvegszigetelők szabványos SMA, 2,92, 2,4 stb. milliméteres hullámhosszú csatlakozókkal mindkét végén az elektromos teljesítmény teszteléséhez.

RF SERIES
  • 50Ω karakterisztikus impedanciás egymagos kerek fej
    50Ω karakterisztikus impedanciás egymagos kerek fej
    Modell Méret (mm)
    A B C D E
    HS1710-0,23 (2,8-0,3) 1.73 1 0.23 2.8 0.3
    HS1710-0,23 (6,2-2,7) 1.73 1 0.23 6.2 2.7
    HS1710A 1.73 1 0.23 3 1
    HS1714-0,23 (2-0,3) 1.73 1.4 0.23 2 0.3
    V1714-0,23 (2,69-0,5) 1.73 1.4 0.23 2.7 0.5
    V1714-0,23 (3,9-1,7) 1.73 1.4 0.23 3.9 1.7
    V1714-0,23 (4,5-1,7) 1.73 1.4 0.23 4.5 1.7
    HS1714-0,23 (3-1,1) 1.73 1.4 0.23 3 1.1
    HSI714E 1.73 1.4 0.23 2.9 1
    HS1714F 1.73 1.4 0.23 2.79 0.9
    HS1715-0,23 (3,2-0,8) 1.73 1.5 0.23 3.2 0.8
    HS1716A 1.73 1.65 0.23 3.4 1
    V1719-0,23 (5,0-1,7) 1.73 1.9 0.23 5 1.7
    V1720-0,23 (3,3-0,5) 1.73 2 0.23 3.3 0.5
    HS1720-0,23 (3,7-1,2) 1.73 2 0.23 3.7 1.2
    V1720-0.23 (4.0-1.0) 1.73 2 0.23 4 1
    HS1720-0,23 (6-2) 1.73 2 0.23 6 2
    V1724-0,23 (3,7-0,5) 1.73 2.4 0.23 3.7 0.5
    HS1724-0,23(4,5-1,7) 1.73 2.4 0.23 4.5 1.7
  • 50Ω karakterisztikus impedanciás egymagos kerek fej
    50Ω karakterisztikus impedanciás egymagos kerek fej
    Modell Méret (mm)
    A B C D E
    V1727-0,23 (4,0-0,5) 1.73 2.7 0.23 4 0.5
    HS1727A 1.73 2.7 0.23 4.7 1
    HS1728-0,23 (4-0,5) 1.73 2.8 0.23 4 0.5
    HS1730-0,23 (4,3-0,5) 1.73 3 0.23 4.3 0.5
    V1730-0.23(5.0-1.0) 1.73 3 0.23 5 1
    HS1734-0,23-01 1.73 3.4 0.23 5.2 1
    HS1744-0.23-01 1.73 4.4 0.23 6.2 1
    HS1749-0,23(8,9-2,0) 1.73 4.9 0.23 8.9 2
    HS1751A 1.73 5.1 0.23 5.9 0.4
    HS1756-0,23 (6,6-0,5) 1.73 5.6 0.23 6.6 0.5
    HS1914-0,3 (2,55-0,35) 1.9 1.4 0.3 2.55 0.35
    HS1914-0,3 (3,2-1,1) 1.9 1.4 0.3 3.2 1.1
    HS1914C 1.9 1.4 0.3 3.6 0.7
    HS1914-0,3 (4,4-2) 1.9 1.4 0.3 4.4 2
    HS1914-0,3 (3,2-1,1) 1.9 1.4 0.3 3.2 1.1
    HS1914-0,3 (3,8-1,2) 1.9 1.4 0.3 3.8 1.2
    HS1914-0,3 (4,4-2) 1.9 1.4 0.3 4.4 2
    HS1916-0,3(4,7-0,8) 1.9 1.6 0.3 4.7 0.8
    HS1916B 1.9 1.6 0.3 4.9 0.8
  • 50Ω karakterisztikus impedanciás egymagos kerek fej
    50Ω karakterisztikus impedanciás egymagos kerek fej
    Modell Méret (mm)
    A B C D E
    HS1917-0,3 (3,45-1) 1.9 1.75 0.3 3.45 1
    HS1918-0,3 (5,8-2) 1.9 1.8 0.3 5.8 2
    HS1918-0,3 (7,8-4,2) 1.9 1.8 0.3 7.8 4.2
    HS1918-0,3 (3,5-1) 1.95 1.8 0.3 3.5 1
    HS1934-0,3 (4,6-0,4) 1.9 3.4 0.3 4.6 0.4
    HS2006-0,3 (3,2-2) 2 0.6 0.3 3.2 2
    HS2008-0,3 (1,32-0,26) 2 0.8 0.3 1.32 0.26
    HS2008F 2 0.8 0.3 1.7 0.45
    HS2008-0,3 (1,8-0,3) 2 0.8 0.3 1.8 0.3
    HS2008-0,3 (2,8-1,0) 2 0.8 0.3 2.8 1
    HS2008-0,3 (3,0-1,5) 2 0.8 0.3 3 1.5
    HS2008-0,3 (3,4-0,8) 2 0.8 0.3 3.4 0.8
    HS2008-0,3 (3,6-1,2) 2 0.8 0.3 3.6 1.2
    HS2008-0,3(5,4-2,6) 2 0.8 0.3 5.4 2.6
    HS2008-0,3 (6-2,6) 2 0.8 0.3 6 2.6
    HS2010-0,3 (2,1-0,7) 2 1 0.3 2.1 0.7
    HS2010-0,3 (2,5-1) 2 1 0.3 2.5 1
    HS2010-0,3 (3,2-1,2) 2 1 0.3 3.2 1.2
    HS2011-0,3(2,1-0,5) 2 1.1 0.3 2.1 0.5
  • 50Ω karakterisztikus impedanciás egymagos kerek fej
    50Ω karakterisztikus impedanciás egymagos kerek fej
    Modell Méret (mm)
    A B C D E
    HS2012A 2 1.2 0.3 3.5 1.2
    HS2012-0,3 (6-1,8) 2 1.2 0.3 6 1.8
    HS2012-0,3 (6,7-1,5) 2 1.2 0.3 6.7 1.5
    HS2013-0,3 (2,3-0,5) 2 1.3 0.3 2.3 0.5
    HS2014-0,3 (1,92-0,26) 2 1.4 0.3 1.92 0.26
    HS2014-0,3 (2,12-0,36) 2 1.4 0.3 2.12 0.36
    HS2014-0,3 (2,4-0,5) 2 1.4 0.3 2.4 0.5
    HS2014D 2 1.4 0.3 3.1 0.45
    HS2014-0,3(4,4-1,5) 2 1.4 0.3 4.4 1.5
    HS2014-0,3 (4,4-1) 2 1.4 0.3 4.4 1
    HS2014-0,3 (4,55-1,5) 2 1.4 0.3 4.55 1.5
    HS2014-0,3 (4,65-1,5) 2 1.4 0.3 4.65 1.5
    HS2014-0,3 (5,5-1,9) 2 1.4 0.3 5.5 1.9
    HS2014-0,3(5,7-1,8) 2 1.4 0.3 5.7 1.8
    HS2014-0,3 (8,0-4,6) 2 1.4 0.3 8 4.6
    HS2014-0,3 (8-1,9) 2 1.4 0.3 8 1.9
    HS2015-0,3 (3,25-0,75) 2 1.5 0.3 3.25 0.75
    HS2016-0,3 (2,7-0,7) 2 1.6 0.3 2.7 0.7
    HS2016-0,3(2,8-0,5) 2 1.6 0.3 2.8 0.5
  • 50Ω karakterisztikus impedanciás egymagos kerek fej
    50Ω karakterisztikus impedanciás egymagos kerek fej
    Modell Méret (mm)
    A B C D E
    HS2020-0,3 (3,8-0,8) 2 2 0.3 3.8 0.8
    HS2020-0,3 (5,6-2,8) 2 2 0.3 5.6 2.8
    HS2020-0,3(5,7-2,9) 2 2 0.3 5.7 2.9
    HS2020-0,3 (6-2) 2 2 0.3 6 2
    HS2020-0,3 (12-5) 2 2 0.3 12 5
    HS2022F 2 2.2 0.3 3.1 0.45
    HS2022-0,3 (3,2-0,7) 2 2.2 0.3 3.2 0.7
    HS2023-0,3(3,35-0,7) 2 2.3 0.3 3.35 0.7
    HS2023-0,3 (3,7-0,7) 2 2.3 0.3 3.7 0.7
    HS2025-0,3(4,8-0,9) 2 2.5 0.3 4.8 0.9
    HS2025-0,3 (6-1,5) 2 2.5 0.3 6 1.5
    HS2025-0,38(7,4-1,4) 2 2.5 0.38 7.4 1.4
    HS2026.5-0.3-01 2 2.6 5 0.3 0.1
    HS2028-0,3(4,9-0,5) 2 2.8 0.3 4.9 0.5
    HS2029-0,3(4,1-0,8) 2 2.9 0.3 4.1 0.8
    HS2029-0,3(4,9-0,5) 2 2.9 0.3 4.9 0.5
    HS2030-0,3 (5,2-1,5) 2 3 0.3 5.2 1.5
    HS2030-0,3 (5,8-1) 2 3 0.3 5.8 1
    HS2030-0,3(8-2) 2 3 0.3 8 2
  • 50Ω karakterisztikus impedanciás egymagos kerek fej
    50Ω karakterisztikus impedanciás egymagos kerek fej
    Modell Méret (mm)
    A B C D E
    HS2030-0,3 (9-1,5) 2 3 0.3 9 1.5
    HS2034-0,3(4,4-0,7) 2 3.4 0.3 4.4 0.7
    HS2035-0,3 (6,6-1,8) 2 3.5 0.3 6.6 1.8
    HS2035-0,3 (6,65-1,3) 2 3.5 0.3 6.65 1.3
    HS2035-0,3 (7,1-1,3) 2 3.5 0.3 7.1 1.3
    HS2035-0,3 (9,5-3) 2 3.5 0.3 9.5 3
    HS2036-0,3(5,7-0,7) 2 3.6 0.3 5.7 0.7
    HS2040A 2 4 0.3 5.1 0.8
    HS2045-0,7 (11,5-2) 2 4.5 0.7 11.5 2
    HS2050-0,3 (6,4-0,7) 2 5 0.3 6.4 0.7
    HS2507-0,38 (2,2-0,3) 2.5 0.7 0.38 2.2 0.3
    HS2508-0,38 (1,8-0,3) 2.5 0.8 0.38 1.8 0.3
    HS2508-0,38 (2-0,5) 2.5 0.8 0.38 2 0.5
    HS2510-0,38(3,6-1,3 ) 2.5 1 0.38 3.6 1.3
    HS2510-0,38 (7-3) 2.5 1 0.38 7 3
    HS2511-0,38 (2..4-0.5) 2.5 1.1 0.38 2.4 0.5
    HS2511-0,38 (3,7-0,6) 2.5 1.1 0.38 3.7 0.6
    HS2512-0,38 (3,1-0,8) 2.5 1.1 0.38 3.7 0.6
    HS4414-0,3(3,2-1,1) 4.4 1.4 0.3 3.2 1.1
  • 50Ω karakterisztikus impedanciás egymagos kerek fej
    50Ω karakterisztikus impedanciás egymagos kerek fej
    Modell Méret (mm)
    A B C D E
    HS2516-0,3 (7,5-2,14) 2.5 1.6 0.3 7.5 2.14
    HS2516-0,3 (8-1,8) 2.5 1.6 0.3 8 1.8
    HS2516-0,38 (3,5-0,7) 2.5 1.6 0.38 3.5 0.7
    HS2516-0,38(4,1-1,25) 2.5 1.6 0.38 4.1 1.25
    HS2516-0,38 (4,3-1,2) 2.5 1.6 0.38 4.3 1.2
    Ka2511-0,38(2,7-1,0) 2.5 1.1 0.38 2.7 1
    Ka2516-0,38(2,9-0,3) 2.5 1.6 0.38 2.9 0.3
    K2516-0,38 (4-1,5) 2.5 1.6 0.38 4 1.5
    HS2516-0,38 (4,5-1,2) 2.5 1.6 0.38 4.5 1.2
    HS2516-0,38 (4,6-1) 2.5 1.6 0.38 4.6 1
    HS2516E 2.5 1.6 0.38 4.6 1.5
    HS2516G 2.5 1.6 0.38 4.6 1.5
    HS2516-0,38(4,8-1,2) 2.5 1.6 0.38 4.8 1.2
    HS2516-0,38(4,9-1,5) 2.5 1.6 0.38 4.9 1.5
    HS2516-0,38(5,1-1,6) 2.5 1.6 0.38 5.1 1.6
    HS2516-0,38(5,3-1,2) 2.5 1.6 0.38 5.3 1.2
    Ka2516-0,38(5,6-3,0) 2.5 1.6 0.38 5.6 3
    HS2516-0,38 (6,1-1,3) 2.5 1.6 0.38 6.1 1.3
    HS2516-0,38(7,1-1,4) 2.5 1.6 0.38 7.1 1.4
  • 50Ω karakterisztikus impedanciás egymagos kerek fej
    50Ω karakterisztikus impedanciás egymagos kerek fej
    Modell Méret (mm)
    A B C D E
    HS2516-0,38(7,41-1,27) 2.5 1.6 0.38 7.41 1.27
    HS2516F 2.5 1.6 0.38 7.45 4.55
    HS2516-0,38-01 2.5 1.6 0.38 7.5 1.3
    HS2516-0,38(8-1,8) 2.5 1.6 0.38 8 1.8
    RF2516-0,38(8-4,6) 2.5 1.6 0.38 8 4.6
    HS2516-0,38 (8-5) 2.5 1.6 0.38 8 5
    K2516-0,38 (8-1,5) 2.5 1.6 0.38 8 1.5
    K2516-0,38 (8-5,9) 2.5 1.6 0.38 8 5.9
    HS2516-0,38(11,6-5) 2.5 1.6 0.38 11.6 5
    HS2516-0,38(12-2,0) 2.5 1.6 0.38 12 2
    HS2520-0,38 (6-2) 2.5 2 0.38 6 2
    HS2520-0,38(7,4-1,4) 2.5 2 0.38 7.4 1.4
    HS2520-0,38(7,8-1,4) 2.5 2 0.38 7.8 1.4
    HS2520-0,38(9,0-2,0) 2.5 2 0.38 9 2
    HS2520-0,38 (12-5) 2.5 2 0.38 12 5
    HS2520-0,38 (15-2) 2.5 2 0.38 15 2
    HS2524-0,38(5,7-1,1) 2.5 2.4 0.38 5.7 1.1
    HS2526-0,38 (6,6-2) 2.5 2.6 0.38 6.6 2
    HS2530-0,38(3,6-0,3) 2.5 3 0.38 3.6 0.3
  • 50Ω karakterisztikus impedanciás egymagos kerek fej
    50Ω karakterisztikus impedanciás egymagos kerek fej
    Modell Méret (mm)
    A B C D E
    Ka2530-0,38(4,6-1,0) 2.5 3 0.38 4.6 1
    HS2530A 2.5 3 0.38 5 1
    HS2530-0,38(7,5-1,5) 2.5 3 0.38 7.5 1.5
    HS2530-0,38(8-0,4) 2.5 3 0.38 8 0.4
    HS2530-0,38 (8-2) 2.5 3 0.38 8 2
    HS2530-0,38 (9-3) 2.5 3 0.38 9 3
    HS2530-0,38 (12-2,2) 2.5 3 0.38 12 2.2
    HS2530-0,38(13,9-8,2) 2.5 3 0.38 13.9 8.2
    HS2530-0,38(20-4) 2.5 3 0.38 20 4
    HS2533-0,38 (6,5-1,2) 2.5 3.3 0.38 6.5 1.2
    HS2535-0,38 (7,5-2) 2.5 3.5 0.38 7.5 2
    HS2537-0,38 (7,7-2) 2.5 3.7 0.38 7.7 2
    HS2540-0,38 (11-1,8) 2.5 4 0.38 11 1.8
    HS2545-0,38 (8-1,3) 2.5 4.5 0.38 8 1.3
    HS2550-0,38 (6,9-1,5) 2.5 5 0.38 6.9 1.5
    HS2550-0,38 (11-2) 2.5 5 0.38 11 2
    HS2558-0,38(14,8-6) 2.5 5.8 0.38 14.8 6
    HS2575-0,38 (12-1,3) 2.5 7.5 0.38 12 1.3
    HS2810-0,45(3,3-0,35) 2.8 1 0.45 3.3 0.35
  • 50Ω karakterisztikus impedanciás egymagos kerek fej
    50Ω karakterisztikus impedanciás egymagos kerek fej
    Modell Méret (mm)
    A B C D E
    HS2815-0.45(5.75-1.25) 2.8 1.5 0.45 5.75 1.25
    HS2816-0.45(4.6-1.5) 2.8 1.6 0.45 4.6 1.5
    HS2816-0,45(4,9-1,8)-R 2.8 1.6 0.45 4.9 1.8
    HS2816-0.45(5.1-1.5) 2.8 1.6 0.45 5.1 1.5
    HS2816-0.45(5.2-1.1) 2.8 1.6 0.45 5.2 1.1
    HS2816-0.45(5.4-2) 2.8 1.6 0.45 5.4 2
    HS2816-0.45(5.6-2) 2.8 1.6 0.45 5.6 2
    HS2816-0.45(6.2-1.8) 2.8 1.6 0.45 6.2 1.8
    HS2816-0.45(8.0-4.6) 2.8 1.6 0.45 8 4.6
    HS2816-0.45(8-1.8) 2.8 1.6 0.45 8 1.8
    HS2816-0.45(11.6-5) 2.8 1.6 0.45 11.6 5
    HS2816-0.45(12-3.0) 2.8 1.6 0.45 12 3
    HS2831-0.45(5.2-1.8) 2.8 3.1 0.45 5.2 1.8
    HS2843-0,45 (8,3-2) 2.8 4.3 0.45 8.3 2
    HS3015-0.5(4.3-0.8) 3 1.5 0.5 4.3 0.8
    HS3016-0.5(3.4-0.9) 3 1.6 0.5 3.4 0.9
    HS3016-0,5 (4,6-1) 3 1.6 0.5 4.6 1
    HS3016-0.5(4.6-1.5) 3 1.6 0.5 4.6 1.5
    HS3016B 3 1.6 0.38 4.9 1.8
  • 50Ω karakterisztikus impedanciás egymagos kerek fej
    50Ω karakterisztikus impedanciás egymagos kerek fej
    Modell Méret (mm)
    A B C D E
    HS3016-0,5 (5,6-2) 3 1.6 0.5 5.6 2
    HS3016C 3 1.6 0.5 6.6 2
    HS3016-0,5 (6,6-2,5) 3 1.6 0.5 6.6 2.5
    HS3016-0,5 (7,5-2) 3 1.6 0.5 7.5 2
    HS3016-0,5 (7,5-3,9) 3 1.6 0.5 7.5 3.9
    HS3016-0,5 (7,8-2,0) 3 1.6 0.5 7.8 2
    HS3016-0,5 (9,65-3,05) 3 1.6 0.5 9.65 3.05
    HS3016-0,5 (12-5,0) 3 1.6 0.5 12 5
    HS3016-0,5(14,3-1,5) 3 1.6 0.5 14.3 1.5
    HS3020-0,5 (5-1,8) 3 2 0.5 5 1.8
    HS3020-0,5 (6,0-1,5) 3 2 0.5 6 1.5
    HS3020-0,5 (6,5-2,2) 3 2 0.5 6.5 2.2
    HS3020-0,5 (6,5-2,3) 3 2 0.5 6.5 2.3
    HS3020-0,5 (6,8-1,8) 3 2 0.5 6.8 1.8
    HS3020-0,5 (7,5-2,2) 3 2 0.5 7.5 2.2
    HS3020-0,5 (8-2) 3 2 0.5 8 2
    HS3020-0,5 (8,5-2,2) 3 2 0.5 8.5 2.2
    HS3020-0,5 (8,5-4,3) 3 2 0.5 8.5 4.3
    HS3020-0,5(10-4) 3 2 0.5 10 4
  • 50Ω karakterisztikus impedanciás egymagos kerek fej
    50Ω karakterisztikus impedanciás egymagos kerek fej
    Modell Méret (mm)
    A B C D E
    HS3020-0,5 (10-1,5) 3 2 0.5 10 1.5
    HS3020-0,5 (12-4,0) 3 2 0.5 12 4
    HS3020-0,5 (12-5,0) 3 2 0.5 12 5
    HS3020-0,5 (12-6) 3 2 0.5 12 6
    HS3020-0,5 (15-2) 3 2 0.5 15 2
    HS3025-0,5 (5,4-1,2) 3 2.5 0.5 5.4 1.2
    HS3030A 3 3 0.38 10 1.5
    HS3030-0,5 (6,5-2) 3 3 0.5 6.5 2
    HS3030-0,5 (6,6-1,8) 3 3 0.5 6.6 1.8
    HS3030-0,5(7,5-2)-R 3 3 0.5 7.5 2
    HS3030-0,5(8,8-1,8) 3 3 0.5 8.8 1.8
    HS3030-0,5 (10-2) 3 3 0.5 10 2
    HS3030-0,5 (12-3) 3 3 0.5 12 3
    HS3030-0,5 (12-2) 3 3 0.5 12 2
    HS3030-0,5 (14-4,0) 3 3 0.5 14 4
    HS3035-0,5 (6-1) 3 3.5 0.5 6 1
    HS3035-0,5 (11,5-4) 3 3.5 0.5 11.5 4
    HS3040A 3 4 0.5 10.4 4
    HS3042-0,5(9,0-2,2) 3 4.2 0.5 9 2.2
  • 50Ω karakterisztikus impedanciás egymagos kerek fej
    50Ω karakterisztikus impedanciás egymagos kerek fej
    Modell Méret (mm)
    A B C D E
    HS3045-0,5 (8,5-2) 3 4.5 0.5 8.5 2
    HS3047-0,5 (9,4-2,2) 3 4.7 0.5 9.4 2.2
    HS3047-0,5 (12-5,1) 3 4.7 0.5 12 5.1
    HS3050-0,5 (9-2) 3 5 0.5 9 2
    HS3052A 3 5.2 0.5 10.3 4
    HS3057-0,5 (12,5-3) 3 5.7 0.5 12.5 3
    HS3620-0,5 (9-2,5) 3.6 2 0.5 9 2.5
    HS3616-0,6 (12,2-1,6) 3.6 1.6 0.6 12.2 1.6
    HS3625-0,6 (6,5-2) 3.6 2.5 0.6 6.5 2
    HS2540-0,8 (27-5) 2.5 4 0.8 27 5
    HS4030A 4 3 1 10.6 4.6
    HS5010-0,8(5,9-2,45) 5 1 0.8 5.9 2.45
    HS5015-0,8 (7,3-4,9) 5 1.5 0.8 7.3 4.9
    HS5016B 5 1.6 0.8 5.6 2
    HS5016-0,8(8,6-3,0) 5 1.6 0.8 8.6 3
    HS5030-0,8 (17,2-2) 5 3 0.8 17.2 2
    HS5040-0,8 (12-3) 5 4 0.8 12 3
    HS5060-0,8 (11,5-2,5) 5 6 0.8 11.5 2.5
    HS5065-0,8(13,7-3) 5 6.5 0.8 13.7 3
  • 50Ω karakterisztikus impedanciás egymagos kerek fej
    50Ω karakterisztikus impedanciás egymagos kerek fej
    Modell Méret (mm)
    A B C D E
    HS5065-0,8 (15,5-3) 5 6.5 0.8 15.5 3
    HS5516-0,9(8,3-2,8) 5.5 1.6 0.9 8.3 2.8
    HS5516-0,9(8,5-2,8) 5.5 1.6 0.9 8.5 2.8
    HS5516-0,9(8,7-2,8) 5.5 1.6 0.9 8.7 2.8
    HS5516-0,9(8,9-2,8) 5.5 1.6 0.9 8.9 2.8
    HS5516-0,9(9,1-2,8) 5.5 1.6 0.9 9.1 2.8
    HS5516-0,9(11,9-2,8) 5.5 1.6 0.9 11.9 2.8
    HS5516-0,9 (12,6-2) 5.5 1.6 0.9 12.6 2
    HS5516-0,9(13,8-2,8) 5.5 1.6 0.9 13.8 2.8
    HS5525-0,9(9,7-1,6) 5.5 2.5 0.9 9.7 1.6
    HS5525-0,9 (16-5) 5.5 2.5 0.9 16 5
    HS5530-0,9(8,8-2,3) 5.5 3 0.9 8.8 2.3
    HS5530-0,9(9,6-2,3) 5.5 3 0.9 9.6 2.3
    HS5530-0,9(13,8-2,8) 5.5 3 0.9 13.8 2.8
    HS5530A 5.5 3 1.35 13.5 7.5
    HS5530B 5.5 3 1.35 13.8 7.8
    HS6016-1.0(8.5-1.5) 6 1.6 1 8.5 1.5
    HS6840-0,9 (7-1,5) 6.8 4 0.9 7 1.5
    HS8330-1.3(13-5) 8.3 3 1.3 13 5
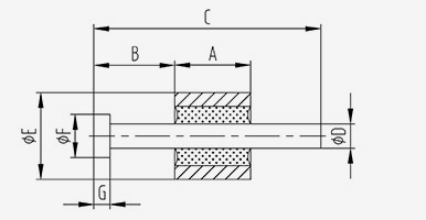
  • 50Ω karakterisztikus impedancia - egymagos lapos fej
    50Ω karakterisztikus impedancia - egymagos lapos fej
    Modell Méret (mm)
    A B C D E
    Ka2008-0,3(1,4-0,3) 2 0.8 0.3 1.4 0.3
    HS2008-0,3 (1,65-0,35) 2 0.8 0.3 1.65 0.35
    Ka2008-0,3(1,8-0,3) 2 0.8 0.3 1.8 0.3
    HS2010-0,3 (1,9-0,35) 2 1 0.3 1.9 0.35
    HS2010-0,3 (2-0,5) 2 1 0.3 2 0.5
    HS2010-0,3 (2,5-0,5) 2 1 0.3 2.5 0.5
    HS2013-0,3 (2,4-0,4) 2 1.3 0.3 2.4 0.4
    HS2014-0,3 (2,6-0,4) 2 1.4 0.3 2.6 0.4
    HS2014E 2 1.4 0.3 2.3 0.45
    HS2014F 2 1.4 0.3 2.35 0.5
    HS2016-0.3-01 2 1.6 0.3 3.1 1
    HS2016-0,3 (3,3-0,7) 2 1.6 0.3 3.3 0.7
    HS2016-0.3-02 2 1.6 0.3 3.3 1
    HS2016-0,3 (5,6-2) 2 1.6 0.3 5.6 2
    HS2019-0,3 (3-0,35) 2 1.9 0.3 3 0.35
    HS2020-0.3-02 2 2 0.3 3.5 0.5
    HS2020-0,3 (3,6-0,8) 2 2 0.3 3.6 0.8
    HS2030-0,3(4,2-0,7) 2 3 0.3 4.2 0.7
  • 50Ω karakterisztikus impedanciás egymagos kerek fej
    50Ω karakterisztikus impedanciás egymagos kerek fej
    Modell Méret (mm)
    A B C D E
    HS8740-1.38(8.4-3.2) 8.7 4 1.38 8.4 3.2
    HS9430-1.5(9-3) 9.4 3 1.5 9 3
    HS9430-1.5(11-4) 9.4 3 1.5 11 4
    HS9640-1.5(9.2-3.2) 9.6 4 1.5 9.2 3.2
    HS10050-1.7(15-5) 10 5 1.7 15 5
    HS130100-3(18-4) 13 10 3 18 4
  • 50Ω karakterisztikus impedancia - egymagos, kerek csúcs
    50Ω karakterisztikus impedancia - egymagos, kerek csúcs
    Modell Méret (mm)
    A B C D E
    HS2330-0,23(5,3-0,3) 2.3 3 0.23 5.3 0.3
    HS2815-0,3 (5,2-1,2) 2.8 1.5 0.3 5.2 1.2
    HS2815-0,3 (7,2-1,2) 2.8 1.5 0.3 7.2 1.2
    HS2635-0,3 (7,1-1,3) 2.6 3.5 0.3 7.1 1.3
    HS3822-0,5(14,4-3,7) 3.8 2.2 0.5 14.4 3.7
    HS3525-0,5(11,5-6) 3.5 2.5 0.5 11.5 6
  • 50Ω karakterisztikus impedancia - egymagos lapos fej
    50Ω karakterisztikus impedancia - egymagos lapos fej
    Modell Méret (mm)
    A B C D E
    HS2516-0,38 (5,1-2) 2.5 1.6 0.38 5.1 2
    HS2516-0,38(7,37-4,5) 2.5 1.6 0.38 7.37 4.5
    HS2517-0,38-01 2.5 1.7 0.38 2.7 0.65
    HS2520-0,38 (3,2-0,5) 2.5 2 0.38 3.2 0.5
    HS2525-0,38-01 2.5 2.5 0.38 3.65 0.65
    HS2530-0,38(7,5-2,5) 2.5 3 0.38 7.5 2.5
    HS2816-0,45(4,9-1,8) 2.8 1.6 0.45 4.9 1.8
    HS2816-0,45-01 2.8 1.6 0.45 5 3
    HS2816-0,45 (6-1,5) 2.8 1.6 0.45 6 1.5
    HS3030-0,5(7,5-2) 3 3 0.5 7.5 2
  • 50Ω karakterisztikus impedancia - egymagos lapos kerek csúcs
    50Ω karakterisztikus impedancia - egymagos lapos kerek csúcs
    Modell Méret (mm)
    A B C D E
    HS2006-0,3 (3,1-1,8) 2 0.6 0.3 3.1 1.8
    HS2010-0,3 (3,5-2) 2 1 0.3 3.5 2
    HS2020-0.3-01 2 2 0.3 3.7 0.6
    HS2035-0,3 (6,4-1,8) 2 3.5 0.3 6.4 1.8
    HS2816-0,45(11,7-7,6) 2.8 1.6 0.45 11.7 7.6
    HS3020-0,5 (10-6,5) 3 2 0.5 10 6.5
    HS3216-0,5 (7,1-4) 3.2 1.6 0.5 7.1 4
    HS6448-1.0(10.2-3.5) 6.4 4.8 1 10.2 3.5
  • Ka2032-0,3(4,5-1,3)
    Ka2032-0,3(4,5-1,3)
    Modell
    Ka2032-0,3(4,5-1,3)
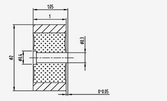
  • K2010-0,3 (1,05-0,05)
    K2010-0,3 (1,05-0,05)
    Modell
    K2010-0,3(1,05-0,05)
  • HS2510-0,3-02
    HS2510-0,3-02
    Modell
    HS2510-0,3-02
  • HS3520-0,5 (3,4-0,3)
    HS3520-0,5 (3,4-0,3)
    Modell
    HS3520-0,5(3,4-0,3)
  • Ka3216-0,5(5,85-1,5)
    Ka3216-0,5(5,85-1,5)
    Modell
    Ka3216-0,5(5,85-1,5)
  • K2515-0,38 (2,9-0,3)
    K2515-0,38 (2,9-0,3)
    Modell
    K2515-0,38(2,9-0,3)
  • 2-K482515-0,38 (2,9-0,3)
    2-K482515-0,38 (2,9-0,3)
    Modell
    2-K482515-0,38(2,9-0,3)
  • KW2016-0,3 (0,7-1,6)
    KW2016-0,3 (0,7-1,6)
    Modell
    KW2016-0,3(0,7-1,6)
  • KW2016-0,3 (1-2,2)
    KW2016-0,3 (1-2,2)
    Modell
    KW2016-0,3(1-2,2)
  • KW2025-0,3 (1-2,2)
    KW2025-0,3 (1-2,2)
    Modell
    KW2025-0,3(1-2,2)
  • JPW2040-0.3-01
    JPW2040-0.3-01
    Modell
    JPW2040-0.3-01
  • KW2018-0,3 (0,95-2,1)
    KW2018-0,3 (0,95-2,1)
    Modell
    KW2018-0,3(0,95-2,1)
  • Nem 50Ω karakterisztikus impedancia – egymagos, kerek csúcs
    Nem 50Ω karakterisztikus impedancia – egymagos, kerek csúcs
    Modell Méret (mm)
    A B C D E
    JD1515-0,4 (5-1,5) 1.5 1.5 0.4 5 5
    JD1615-0,4(8-1,9) 1.6 1.5 0.4 8 8
    JD1616-0.4(30-14.2) 1.6 1.6 0.4 30 30
    JD1614-0,45 (11,4-5) 1.6 1.4 0.45 11.4 11.4
    JD1616-0,45(4,65-1,05) 1.6 1.6 0.45 4.65 4.65
    JD1616-0.45(16-4) 1.6 1.6 0.45 16 16
    JD1616-0,45(30-14,2) 1.6 1.6 0.45 30 30
    JD2020-0,45 (6,3-3) 2 2 0.45 6.3 6.3
    JD2020-0,45 (10-4) 2 2 0.45 10 10
    JD1614-0.5(9-4) 1.6 1.4 0.5 9 9
    JD1616-0,5(30-14,2) 1.6 1.6 0.5 30 30
    JD1619-0.5(5.1-2) 1.6 1.9 0.5 5.1 5.1
    HS2015-0,5 (7,5-3) 2 1.5 0.5 7.5 7.5
    JD2016-0.5(12-5.8)-R 2 1.6 0.5 12 12
    HS2018-0,5(9,5-1,5) 2 1.8 0.5 9.5 9.5
    HS2018-0,5 (11,5-7,2) 2 1.8 0.5 11.5 11.5
    HS2030-0,5 (10-2) 2 3 0.5 10 10
    JD1919-0,6(7,9-1,9)-R 1.9 1.9 0.6 7.9 7.9
  • Nem 50Ω karakterisztikus impedancia – egymagos, kerek csúcs
    Nem 50Ω karakterisztikus impedancia – egymagos, kerek csúcs
    Modell Méret (mm)
    A B C D E
    HS2040-0,6 (6-1) 2 4 0.6 6 1
    JD1818-0.7(10-6) 1.8 1.8 0.7 10 6
    JD1818-0,7(22,2-0,4) 1.8 1.8 0.7 22.2 0.4
    HS2016-0,7 (4,6-1,5) 2 1.6 0.7 4.6 1.5
    HS2016-0,7 (6,3-1,5) 2 1.6 0.7 6.3 1.5
    HS2016-0,7(7,1-1,5)-R 2 1.6 0.7 7.1 1.5
    HS2016-0,7 (7,6-1,5) 2 1.6 0.7 7.6 1.5
    HS2016-0,7 (9,6-4) 2 1.6 0.7 9.6 4
    K2016-0,7 (11-4,6) 2 1.6 0.7 11 4.6
    HS2016-0,7 (11,6-5) 2 1.6 0.7 11.6 5
    HS2016-0,7 (17-15,1) 2 1.6 0.7 17 15.1
    HS2016-0,7 (20-0,3) 2 1.6 0.7 20 0.3
    HS2017-0,7 (9,7-3) 2 1.7 0.7 9.7 3
    HS2035-0,7 (13-3) 2 3.5 0.7 13 3
    HS2020-0,75 (12-4) 2 2 0.75 12 4
    HS2015-0,8 (6,5-3) 2 1.5 0.8 6.5 3
    JD2015-0,8 (10,5-3) 2 1.5 0.8 10.5 3
    JD2063-0,5(10,3-2) 2 6.3 0.5 10.3 2
  • Nem 50Ω karakterisztikus impedancia – egymagos, kerek csúcs
    Nem 50Ω karakterisztikus impedancia – egymagos, kerek csúcs
    Modell Méret (mm)
    A B C D E
    JD2518-0.8(12.8-5) 2.5 1.8 0.8 12.8 5
    JD2520-0.8(14-4) 2.5 2 0.8 14 4
    JD2540-0.8(10-4) 2.5 4 0.8 10 4
    JD3218-0.8(51.8-20) 3.2 1.8 0.8 51.8 20
    JD2530-0,9(6,6-1,8) 2.5 3 0.9 6.6 1.8
    JD2540A 2.5 4 0.8 10 4
    JD2816-1(6.6-2) 2.8 1.6 1 6.6 2
    K2816-1.0 (16-10) 2.8 1.6 1 16 10
    JD3218-1(27-15) 3.2 1.8 1 27 15
    JD3015-1.3(10.2-6.1) 3 1.5 1.3 10.2 6.1
    JD3015-1.3(10.5-3) 3 1.5 1.3 10.5 3
    JD3430-1,4(10,5-4,5) 3.4 3 1.4 10.5 4.5
    JD12940-1.7(10-3) 12.9 4 1.7 10 3
    JD3916-2(6.6-2) 3.9 1.6 2 6.6 2
  • Nem 50Ω karakterisztikus impedanciás egymagos lapos fej
    Nem 50Ω karakterisztikus impedanciás egymagos lapos fej
    Modell Méret (mm)
    A B C D E
    JD1510-0.3-01 1.5 1 0.3 5.5 1.5
    JD1315-0.35-01 1.3 1.5 0.35 3.5 0.3
    JD1515-0,4(4,5-0,5) 1.5 1.5 0.4 4.5 0.5
    JD1516-0.4-01 1.5 1.6 0.4 14.6 1
    JD1615-0,5 (7-0,5) 1.6 1.5 0.5 7 0.5
    JD1619-0,5(8,7-3) 1.6 1.9 0.5 8.7 3
    JD1619-0,5(10,3-4,6) 1.6 1.9 0.5 10.3 4.6
    JD2016-0,5(4,5-0,6) 2 1.6 0.5 4.5 0.6
    JD2016-0,5(12-5,8) 2 1.6 0.5 12 5.8
    JD2020-0.5-01 2 2 0.5 5.2 0.5
    JD2044-0,5(6,3-0,4) 2 4.4 0.5 6.3 0.4
    JD1919-0,6(7,9-1,9) 1.9 1.9 0.6 7.9 1.9
    RF2010-0,7 (6,0-3,0) 2 1 0.7 6 3
    JD2015-0,8 (6,5-3) 2 1.5 0.8 6.5 3
    RF2016-0,8(6,6-4,5) 2 1.6 0.8 6.6 4.5
    JD2816-1(10,3-4,9) 2.8 1.6 1 10.3 4.9
  • Nem 50Ω karakterisztikus impedancia – egymagos lapos, kerek csúcs
    Nem 50Ω karakterisztikus impedancia – egymagos lapos, kerek csúcs
    Modell Méret (mm)
    A B C D E
    RF1515-0,38 (2,9-0,3) 1.5 1.5 0.38 2.9 0.3
    JD1614-0,5(17,9-0,5) 1.6 1.4 0.5 17.9 0.5
    JD1615-0,5 (9-2,5) 1.6 1.5 0.5 9 2.5
    JD2016-0,7(8,1-4,5) 2 1.6 0.7 8.4 4.5
    JD2040-0,6 (10-4,5) 2 4 0.6 10 4.5
    JD2016-0,7 (9,1-2,5) 2 1.6 0.7 9.1 2.5
    JD2035-0.7(22-3) 2 3.5 0.7 22 3
  • Nem 50Ω karakterisztikus impedancia - szögfej típus
    Nem 50Ω karakterisztikus impedancia - szögfej típus
    Modell Méret (mm)
    A B C D E F G
    JD1616-0,45 (4,2-1,5) 1.4 1.5 4.2 0.45 1.6 0.8 0.3
    JD1614-0,45 (6,2-0,8) 1.4 0.8 6.2 0.45 1.6 0.8 0.3
    JD1614-0,45 (6,9-1,5) 1.4 1.5 6.9 0.45 1.6 0.8 0.2
    JD1620-0.45(7-1) 2 1 7 0.45 1.6 1 0.3
    JD1630-0,5(7,5-0,5) 3 0.5 7.5 0.5 1.6 0.6 0.2
    JD1630-0,5(10,5-0,5) 3 0.5 10.5 0.5 1.6 0.6 0.2
    JD1816-0,5(20-0,5) 1.6 0.5 20 0.5 1.8 0.7 0.3
    JD2020B 2 2 0.6 5.7 1
  • JP2016-0,7 (7,1-1,5)
    JP2016-0,7 (7,1-1,5)
    Modelll
    JP2016-0,7 (7,1-1,5)

    Modelll Méret (mm)
    A B C D E F G
    JD1614-0,45(6,9-1,5)-R 1.4 1.5 6.9 0.45 1.6 0.8 0.2
    JD1630-0,5(7,5-0,5)-R 3 0.5 7.5 0.5 1.6 0.6 0.2
  • Nem 50Ω karakterisztikus impedancia - szögfej típus
    Nem 50Ω karakterisztikus impedancia - szögfej típus
    Modell Méret (mm)
    A B C D E F G
    JD1614-0,45(6,9-1,5)-R 1.4 1.5 6.9 0.45 1.6 0.8 0.2
    JD1630-0,5(7,5-0,5)-R 3 0.5 7.5 0.5 1.6 0.6 0.2
  • JD1516-0.4-02
    JD1516-0.4-02
    Modell
    JD1516-0.4-02
  • RF1816-0,8(6,6-4,5)-2
    RF1816-0,8(6,6-4,5)-2
    Modell
    RF1816-0,8(6,6-4,5)-2
  • 2-RF281515-0,38(2,9-0,3)
    2-RF281515-0,38(2,9-0,3)
    Modell
    2-RF281515-0,38(2,9-0,3)
  • 2-RF301516-0,5(5,85-1,5)
    2-RF301516-0,5(5,85-1,5)
    Modell
    2-RF301516-0,5(5,85-1,5)
  • JD301520-0.5-01
    JD301520-0.5-01
    Modell
    JD301520-0,5-01
  • JD301515-0.5-01
    JD301515-0.5-01
    Modell
    JD301515-0,5-01
  • JD201315-0.35-01
    JD201315-0.35-01
    Modell
    JD301515-0,5-01
  • JD271516-0.4-02
    JD271516-0.4-02
    Modell
    JD271516-0.4-02
  • JD271516-0.4-01
    JD271516-0.4-01
    Modell
    JD271516-0.4-01
  • JD2615-0.35-01
    JD2615-0.35-01
    Modell
    JD2615-0,35-01
  • 3-RF411515-0,38(2,9-0,3)
    3-RF411515-0,38(2,9-0,3)
    Modell
    3-RF411515-0,38(2,9-0,3)
  • 3-RF421516-0,5(5,85-1,5)
    3-RF421516-0,5(5,85-1,5)
    Modell
    3-RF421516-0,5(5,85-1,5)
  • JD261516-0.3-01
    JD261516-0.3-01
    Modell
    JD261516-0.3-01
  • JD391516-0.4-01
    JD391516-0.4-01
    Modell
    JD391516-0.4-01
  • JD2815-0.35-01
    JD2815-0.35-01
    Modell
    JD2815-0,35-01
  • RF3416-0,8(6,6-4,5)-4
    RF3416-0,8(6,6-4,5)-4
    Modell
    RF3416-0,8(6,6-4,5)-4
  • 4-RF3416-0,5 (5,85-1,5)
    4-RF3416-0,5 (5,85-1,5)
    Modell
    4-RF3416-0,5(5,85-1,5)
  • JD341315-0.35-01
    JD341315-0.35-01
    Modell
    JD341315-0,35-01
  • JD272716-0.4-01
    JD272716-0.4-01
    Modell
    JD272716-0.4-01
  • JD511516-0.4-01
    JD511516-0.4-01
    Modell
    JD511516-0.4-01
  • JD2016-0.3-01
    JD2016-0.3-01
    Modell
    JD2016-0.3-01
  • JD3115-0,35-01
    JD3115-0,35-01
    Modell
    JD3115-0,35-01
  • JD631516-0.4-01
    JD631516-0.4-01
    Modell
    JD631516-0.4-01
  • RF1816-0,8(6,6-4,5)-6
    RF1816-0,8(6,6-4,5)-6
    Modell
    RF1816-0,8(6,6-4,5)-6
  • 6-RF811515-0,5(0,5-8,2)
    6-RF811515-0,5(0,5-8,2)
    Modell
    6-RF811515-0,5(0,5-8,2)
  • 6-RF821515-0,5(5,5-2,5)
    6-RF821515-0,5(5,5-2,5)
    Modell
    6-RF821515-0,5(5,5-2,5)
  • JD501516-0.4-01
    JD501516-0.4-01
    Modell
    JD501516-0.4-01
  • JD811520-0,5-0,1
    JD811520-0,5-0,1
    Modell
    JD811520-0,5-0,1
  • 7-RF941515-0,5 (5,5-2,5)
    7-RF941515-0,5 (5,5-2,5)
    Modell
    7-RF941515-0,5(5,5-2,5)
  • JD1201515-0.5-01
    JD1201515-0.5-01
    Modell
    JD1201515-0,5-01
  • JMC-265-JH
    JMC-265-JH
    Modell
    JMC-265-JH
  • JD1201515-0.5-02
    JD1201515-0.5-02
    Modell
    JD1201515-0,5-02
  • RF1816-0,8(6,6-4,5)-9
    RF1816-0,8(6,6-4,5)-9
    Modell
    RF1816-0,8(6,6-4,5)-9
  • JYZ22-0,45-01
    JYZ22-0,45-01
    Modell
    JYZ22-0,45-01
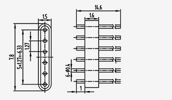
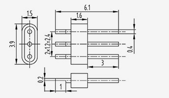
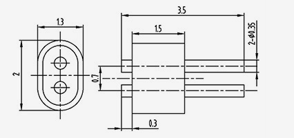
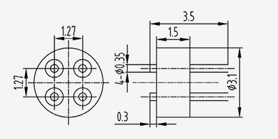
  • Nem 50Ω karakterisztikus impedancia - többmagos
    Nem 50Ω karakterisztikus impedancia - többmagos
    Modell Méret (mm)
    A B C D E F G H egy áthúzás sor Felmondás
    JD156018-0,3(27,2-0,8)-8 27.2 0.8 1.4 6 1.8 0.6 0.3 0 8 1 Belső vezeték felső felületének ragasztása
    JD151152-0,3(4,5-1,5)-9 4.5 1.5 1.5 11.5 2 1.27 0.3 0 9 1 Forrasztás
    2-JD162020-0,3(5-1,7)-4 A1=5
    A2=3,6
    B1=1,7
    B2=1
    1.6 2 2 0.57 0.3 0.57 4 2 Lapos ragasztás a belső vezetékek mindkét oldalán
    2-JD162020-0,3(7,6-1,7)-4 A1=7,6
    A2=3,6
    B1=1,7
    B2=1
    1.6 2 2 0.57 0.3 0.56 4 2 Lapos ragasztás a belső vezetékvégek mindkét oldalán
    JD158215-0,38(7-0,8)-6 7 0.8 1.5 8.2 1.5 1.27 0.38 0 6 1 Felső körömfej arcragasztása
    JD153015-0,38(8-1,9)-2 8 1.9 1.5 3 1.5 1.27 0.38 0 2 1 Hegesztett
    2-JD162525-0,38(10,6-3,5)-4 10.6 3.5 1.6 2.5 2.5 0.71 0.38 0.71 4 2 Forrasztás
    2-JD187425-0,38(3,8-1)-16 A1=3,8
    A2=5,2
    B1=1
    B2=1,7
    1.8 7.4 2.5
    4
    0.88 0.38 1.02 16 2 A belső vezeték végei lapítva vannak, és oldalra ragasztva
    JD1510516-0,45(7,5-2)-8 7.5 2 1.5 10.5 1.6 1.27 0.45 0 8 1 Forrasztás
    JD155515-0,5(5,7-1,7}-4 5.7 1.7 1.5 5.5 1.5 1.27 0.5 0 4 1 Belső vezeték felső oldala lapított kötés
    JD1512015-0,5(5,8-2,5)-9 5.8 2.5 1.5 12 1.5 1.27 0.5 0 9 1 Alsó belső vezető lapított oldalsó kötés
    JD153015-0,5(7-0,5)-2 7 0.5 1.5 3 1.5 1.27 0.5 0 2 1 A belső vezetővégek ragasztása
  • Nem 50Ω karakterisztikus impedancia - többmagos
    Nem 50Ω karakterisztikus impedancia - többmagos
    Modell Méret (mm)
    A B C D E F G H egy áthúzás sor Felmondás
    JD153815-0,5(7,7-1,2)-2 7.7 1.2 1.5 3.8 1.5 2.1 0.5 0 2 1 Belső vezeték felső oldala lapított kötés
    JD153015-0,5(13,5-4)-2 13.5 4 1.5 3 1.5 1.27 0.5 0 2 1 Hegesztés
    JD1613215-0,5(10,6-2)-10 10.6 2 1.6 13.2 1.5 1.27 0.5 0 10 1 Forrasztás
    JD302915-0,5(8-1)-2 8 1 3 2.9 1.5 1.27 0.5 0 2 1 Belső vezeték felső felületének ragasztása
    2-JD165528-0,5(7,6-1)-8 7.6 1 1.6 5.5 2.8 1.07 0.5 0 8 2 Belső vezeték felső felületének ragasztása
    2-JD154330-0,5(5,8-2)-5 Al=5,8
    A2=5,1
    B1=2
    B2=1,3
    1.5 4.3 3 1.27 0.5 1.5 5 2 Forrasztás Felső oldal lapítása
    2-JD156830-0,5(5,8-2)-9 Al=5,8
    A2=5,1
    B1=2
    B2=1,3
    1.5 6.8 n 1.27 0.5 1.5 6 2 Hegesztési varrat A belső vezető felső oldalának lapítása
    2-JD1512030-0,5(9,3-2,8)-18 A1=9,3
    A2=8
    B1=2,8
    B2=1,5
    1.5 12 3 1.27 0.5 1.5 18 2 Hegesztés Flattening of inner conductor ends
    3-JD155545-0,5(9,5-4)-12 Al=9,5
    A2=7,5
    A3=5,5
    B1=4
    B2=3
    B3=2
    1.5 5.5 4.5 1.27 0.5 1.5 12 3 Forrasztás
    2-JD207015-0,6(7-3)-10 A1=7
    A2=6
    B1=3
    B2=2
    2 7 1.5 1.27 0.6 1.5 10 2 A belső vezeték mindkét oldalon lapított és ragasztott
    2-JD3012230-0,6(10,8-5)18 10.8 5 3 12.2 3 1.27 0.6 1.5 18 2 Alsó belső vezetőoldal lapított kötés
  • JYZ22-0,45-02
    JYZ22-0,45-02
    Modell
    JYZ22-0,45-02

TARTSA KAPCSOLATOT

[#bemenet#]
BEADÁS
Rólunk
Ningbo Hanson Communication Technology Co., Ltd.
Ningbo Hanson Communication Technology Co., Ltd.
Ningbo Hanson Communication Technology Co., Ltd. is China RF üveg szigetelő Supplier and Custom RF üveg szigetelő Company. We are a manufacturer specializing in the production, processing, and trade of communication components, with more than 30 years of experience in RF coaxial connectors, adapters, and cable assemblies. A cég mára kifejlesztette saját megmunkáló műhelyét, galvanizáló műhelyét, összeszerelő műhelyét, valamint stabil és megbízható beszállítói csoportot. A cég célja, hogy vásárlóinak minőségi termékeket biztosítson. A fő termékek RF koaxiális csatlakozók, adapterek, nagyfrekvenciás kábelszerelvények és alacsony intermodulációs kábelszerelvények. Ezen túlmenően a vállalat testreszabott igényű ügyfelek számára is tud szolgáltatásokat nyújtani, hogy megfeleljen az ügyfelek speciális termékigényeinek. A cég termékeit széles körben használják a repülőgépiparban, a kommunikációs bázisállomásokon, az orvosi berendezésekben és más high-tech területeken. A vállalati reform, innováció, fejlesztés és növekedés idején a vállalat kezdeményezte, hogy csatlakozzon az ISO9001 nemzetközi minőségirányítási rendszerhez, és folyamatosan fejlesztette a menedzsment szintjét, hogy kielégítőbb termékeket és szolgáltatásokat nyújtson új és régi ügyfeleknek.
Legfrissebb hírek
Üzleti lehetőséget keres?

Kérjen hívást még ma